Diodes Incorporated PI6C4911502D Differential Fanout Buffer
Diodes Incorporated PI6C4911502D Differential Fanout Buffer is a high-performance device that is designed to support up to 1.5GHz frequency. This device integrates two dividers with user-configurable output dividers on a per-output basis which provides great flexibility to users. This fanout buffer is ideal for systems that need scale-down clock signals to multiple destinations. The PI6C4911502D buffer features two LVPECL outputs with two individual dividers up to 1.5GHz output frequency and a separate input-output supply voltage for level shifting. This fanout buffer operates at -55°C to 150°C of storage temperature range, 125°C of junction temperature, and 70mA of power supply current. The fanout buffer is used in applications such as networking systems including switches and routers, high-frequency backplane-based computing, and telecom platforms.Features
- 2 LVPECL outputs with two individual dividers
- Low additive phase jitter
- Supports LVPECL, LVDS, CML, and HCSL inputs
- Separate input-output supply voltage for level shifting
- Industrial temperature support
- Totally lead-free and fully RoHS compliant
- Halogen and antimony free “Green” device
- Packaging (Pb-free and green):
- 16-pin, TQFN package (ZH)
Specifications
- -55°C to 150°C storage temperature range
- 125°C junction temperature
- Up to 1.5GHz output frequency
- 70mA power supply current
- -0.5V to 4.6V supply voltage to ground potential range (VDD, VDDO)
- -40°C to 85°C ambient operating temperature range
- 2.375V to 3.465V core supply voltage range
Applications
- Networking Systems, including switches and routers
- High-frequency backplane-based computing and telecom platforms
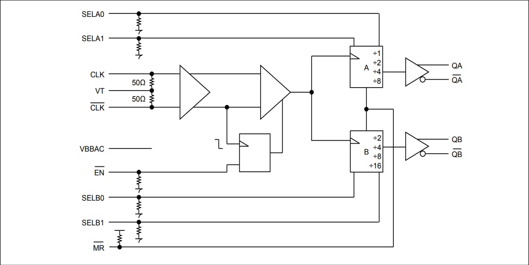
Block Diagram
Đã phát hành: 2022-04-18
| Đã cập nhật: 2022-07-05
