Diodes Incorporated APK43070 Synchronous Buck Controller

Diodes Inc. APK43070 Synchronous Buck Controller (SBC) features a USB Type-C® PD 3.1 source controller to support standard power range (SPR)/programmable power supply (PPS) up to 21V, and extended power range (EPR)/adjustable voltage supply (AVS) up to 28V. It is targeted at DC power providers and controls single-port or multiple-port charging applications.

The compact buck controller in APK43070 is a constant-frequency synchronous step-down controller with high driving capability, optimized dead time, and a high driving gate voltage, designed to cover mid- and high-power charging. It features integrated drivers for external N-MOSFETs. To further enhance the converter power efficiency, the VIN DC power pass-through mode is supported.

The Diodes Inc. APK43070 integrates the SBC/PD3.1 decoder functions and results in a small footprint and reduced PCB size for high-power-density charging applications. By leveraging the MOS switches of synchronous buck regulation, the PD output MOS switch for each port can be saved, reducing BOM cost.

To support higher power efficiency, extremely low standby power, and smart power sharing for multiple-port applications without the need for an external MCU, the APK43070 integrates an I2C interface, master/slave addressing scheme, and interrupt/wakeup mechanism. Up to eight port addresses are supported through resistor selection.

Due to a high-voltage process, the APK43070 offers VBUS short protection on CC1/CC2 pins up to 30V. Meanwhile, the APK43070 provides comprehensive safety protection, including overvoltage protection (OVP), overcurrent protection (OCP), overtemperature protection (OTP), and moisture detection of the connector.

Features

  • Single-chip buck controller with USB Type-C PD3.1 source controller
  • Support USB PD3.1 EPR/AVS up to 28V, SPR/PPS up to 21V
  • 125kHz/250kHz/400kHz configurable cperating switching frequencies via GPIO3
  • Supports power sharing through I2C
  • Supports high PWM duty cycle up to 95% at 125kHz/90% at 400kHz
  • 4V to 36V operating input voltage range
  • Support bypass mode to enhance output power efficiency
  • Frequency dithering for EMI restraining
  • Supports Legacy BC1.2, and QC3.0/4/4+/5.0
  • Supports external OTP by TS pin
  • Supports I2C-based topology on up to eight ports without an external MCU
  • Supports up to eight I2C addresses and is assigned by GPIO1
  • Supports PDO profiles selected by GPIO2
  • Supports extremely low standby power (<120µA) with wakeup
  • Supports comprehensive protection schemes (OVP, UVP, OCP, and OTP), and moisture detection of the connector with autorecovery
  • VBUS short protection on CC1/CC2 and DP/DN pins up to 30V
  • Lead-free and RoHS-compliant
  • Halogen and antimony-free Green device
  • For automotive applications requiring specific change control (i.e., parts qualified to AEC-Q100/101/104/200, PPAP capable, and manufactured in IATF 16949 certified facilities)

Applications

  • Extremely low standby power multiple-port Type-C PD3.1 SPR and EPR chargers, adapters, power strips, or power hubs
  • Type-C PD3.1 SPR and EPR chargers for general-purpose charging applications
  • Type-C PD3.1 SPR and EPR charging for high-voltage batteries of portable outdoor generators

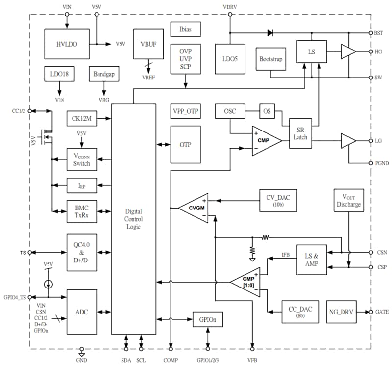
Block Diagram

Block Diagram - Diodes Incorporated APK43070 Synchronous Buck Controller
Đã phát hành: 2025-10-07 | Đã cập nhật: 2026-02-18