Diotec Semiconductor BZX84B6V2-AQ SMD Planar Zener Diode
Diotec Semiconductor BZX84B6V2-AQ SMD Planar Zener Diode features low leakage current and ±2% tolerance for stable voltage regulation. This Zener diode provides a 6.08V to 6.32V Zener voltage range at 5mA and supports AEC-Q101 qualification. The BZX84B6V2-AQ SMD planar Zener diode uses a compact SOT-23 design and offers sharp Zener voltage breakdown with a power dissipation of 300mW. This Surface Mount Device (SMD) Zener diode is compliant with Conflict Minerals, RoHS (without exemptions), and REACH standards. Typical applications include voltage stabilization and regulators.
Features
- ±2% tolerance of Zener voltage
- Sharp Zener voltage breakdown
- Low leakage current
- RoHS (without exemption), REACH, and Conflict Minerals compliant
- AEC-Q101 qualified
Applications
- Voltage stabilization
- Regulators
- Automotive electronics
Specifications
- 300mW total power dissipation
- 6.08V to 6.32V Zener voltage range at 2.5mA
- 47mA maximum Zener current
- 4V reverse voltage rating
- UL 94V-0 case material
- 0.01g approximate weight
- Moisture Sensitivity Level (MSL) 1
Performance Graphs
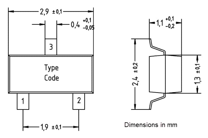
Dimensions
Đã phát hành: 2025-11-18
| Đã cập nhật: 2025-12-26
