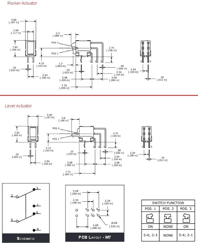
E-Switch 400U Rocker Switches
E-Switch 400U Rocker Switches are ultra-miniature in size with lever or rocker actuator options, multiple termination options, and multiple actuator colors. The 400U Series are suitable for audio/visual, consumer electronics, medical equipment, instrumentation, kiosks, and vending machine applications.Features
- Ultra-miniature in size
- Lever or rocker actuator options
- Multiple termination options
- Multiple actuator colors
- Double pole
Specifications
- 0.4VA @ 20V Max (AC or DC) electrical rating
- 50,000 cycle life cycle
- 100mΩ initial contact resistance
- 500MΩ Min. @ 500VDC
- 500VAC dielectric strength
- -30°C to 85°C operating/storage temperature
Applications
- Audio/Visual
- Consumer electronics
- Vending machines
- Kiosks
- Instrumentation
- Medical Equipment
M2 Termination
M6 Termination
M7 Termination
Đã phát hành: 2016-02-02
| Đã cập nhật: 2022-03-11
