STMicroelectronics STEVAL-MKI222V1 Adapter Board
STMicroelectronics STEVAL-MKI222V1 Adapter Board is designed to demonstrate the LIS2DU12 MEMS. The STEVAL-MKI222V1 provides an effective solution for fast system prototyping to incorporate directly within the user’s application. The STEVAL-MKI222V1 plugs into a standard DIL 24 socket. The board offers a full LIS2DU12 pinout and embeds the required decoupling capacitors on the VDD power supply line.The STEVAL-MKI109V3 motherboard is fully compatible with the adapter and includes a high-performance 32-bit microcontroller. The MCU functions as a bridge between the sensor and the PC. This makes it possible to use a downloadable graphical user interface (Unico-GUI) or dedicated software routines for customized applications.
The STM STEVAL-MKI222V1 adapter board can plug onto the board into an X-NUCLEO-IKS01A3 expansion board.
Features
- Complete LIS2DU12 pinout for a standard DIL 24 socket
- Fully compatible with the STEVAL-MKI109V3 motherboard
- RoHS compliant
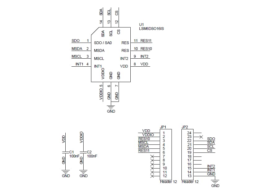
Circuit Schematic
Videos
Đã phát hành: 2023-02-03
| Đã cập nhật: 2023-08-21
