Silvertel EvalAg6810 Evaluation Board

Silvertel EvalAg6810 Evaluation Board is designed to evaluate and demonstrate the Ag6810 Power Sourcing Equipment (PSE) module. This board helps to pass through 10/100/1000BASE-T Ethernet data signals from a source onto any powered device connected to the output ports. The EvalAg6810 PSE module is a self-contained module that requires only a single supply voltage and a few external components to provide a simple and cost-effective PSE application. The EvalAg6810 evaluation board is powered using a DC power supply with an output between 52V and 57V. Typical applications include Internet Protocol (IP) cameras, Audio-Visual (AV) distribution, the Internet of Things (IoT), home networking, and industrial Ethernet.

Features

  • Evaluate Ag6810 PSE module
  • Powered using a DC power supply
  • 52V and 57V output voltage
  • Helps to pass through 10/100/1000BASE-T Ethernet data signals from a source onto any powered device connected to the output ports

Applications

  • IoT
  • Industrial IoT (IIOT)
  • Industrial Ethernet
  • Smart conference systems
  • Smart speaker systems
  • Digital screens
  • Digital signage
  • Professional audio-visual equipment
  • Media converters
  • Range extenders
  • Security equipment
  • Hubs
  • Gateways
  • Routers and access points
  • Audio-visual connected devices

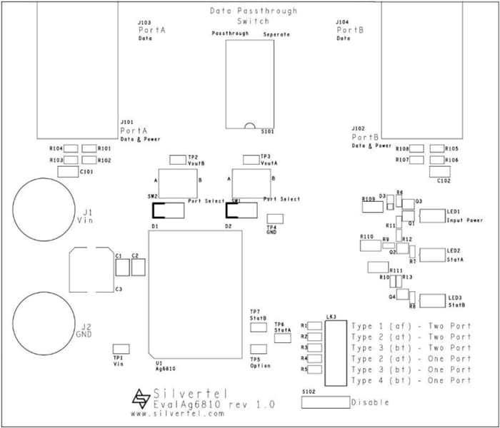
Board Layout

Silvertel EvalAg6810 Evaluation Board
Đã phát hành: 2025-06-24 | Đã cập nhật: 2025-07-11