HALO Electronics DC-DC Converters
HALO Electronics DC-DC Converters are 1W and 2W isolated converters that provide a compact surface mount solution. The DC11 and DC21 converters are designed with 1.5KVDC isolation voltage, and the DC13 converters are designed with 3KVDC isolation voltage. The DC-DC converters feature high efficiency and low ripple noise and are designed to operate from -40°C to +105°C temperature range. These converters offer functional insulation and provide continuous short-circuit protection. Both 1W and 2W versions are available in industry-standard SMD packages.Features
- DC/DC 1W and 2W unregulated converters
- 1.5KVDC isolation voltage (DC11 and DC21 converters)
- 3KVDC isolation voltage (DC13 converters)
- Functional insulation
- -40°C to +105°C operating temperature range
- High efficiency and low ripple/noise
- Continuous short-circuit protection
- Meets UL/EN62368-1
Pin-Out/Block Diagram
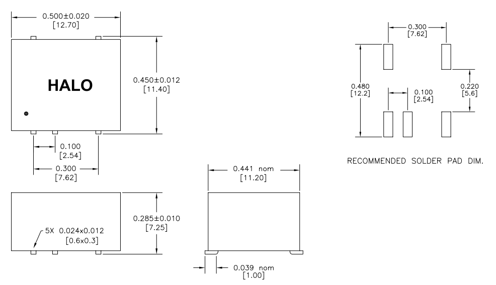
Mechanical Drawing
View Results ( 92 ) Page
| Mã Phụ tùng | Bảng dữ liệu | Điện áp đầu vào, Danh định | Điện áp đầu ra-Kênh 1 | Dòng đầu ra-Kênh 1 | Công suất đầu ra | Số lượng đầu ra | Điện áp cách ly | Chiều dài | Chiều rộng | Chiều cao | Đóng gói | Đóng gói / Vỏ bọc | RoHS - Mouser |
|---|---|---|---|---|---|---|---|---|---|---|---|---|---|
| DC11-V0305SLF | ![]() |
3.3 V | 5 V | 200 mA | 1 W | 1 Output | 1.5 kVDC | 12.8 mm | 9 mm | 7.25 mm | Tube | 12.8 mm x 9 mm x 7.25 mm | Y |
| DC11-V0312SLF | ![]() |
3.3 V | 12 V | 84 mA | 1 W | 1 Output | 1.5 kVDC | 12.8 mm | 9 mm | 7.25 mm | Tube | 12.8 mm x 9 mm x 7.25 mm | Y |
| DC21-V0303SLF | ![]() |
3.3 V | 3.3 V | 600 mA | 2 W | 1 Output | 1.5 kVDC | 12.8 mm | 9 mm | 7.25 mm | Tube | 12.8 mm x 9 mm x 7.25 mm | Y |
| DC11-V1203SLF | ![]() |
12 V | 3.3 V | 300 mA | 1 W | 1 Output | 1.5 kVDC | 12.8 mm | 9 mm | 7.25 mm | Tube | 12.8 mm x 9 mm x 7.25 mm | Y |
| DC21-V0303DLF | ![]() |
3.3 V | 3.3 V | 300 mA | 2 W | 2 Output | 1.5 kVDC | Tube | Y | ||||
| DC21-V0305DLF | ![]() |
3.3 V | 5 V | 200 mA | 2 W | 2 Output | 1.5 kVDC | Tube | Y | ||||
| DC21-V1215DLF | ![]() |
12 V | 15 VDC | 67 mA | 2 W | 2 Output | 1.5 kVDC | Tube | Y | ||||
| DC21-V0503DLF | ![]() |
5 V | 3.3 V | 300 mA | 2 W | 2 Output | 1.5 kVDC | Tube | Y | ||||
| DC11-V0503SLFTR | ![]() |
5 V | 3.3 V | 300 mA | 1 W | 1 Output | 1.5 kVDC | 12.8 mm | 9 mm | 7.25 mm | Reel | 12.8 mm x 9 mm x 7.25 mm | Y |
| DC11-V0303SLF | ![]() |
3.3 V | 3.3 V | 300 mA | 1 W | 1 Output | 1.5 kVDC | 12.8 mm | 9 mm | 7.25 mm | Tube | 12.8 mm x 9 mm x 7.25 mm | Y |
Đã phát hành: 2024-08-09
| Đã cập nhật: 2024-12-06

