Infineon Technologies EasyPIM™ IGBT Module
Infineon Technologies EasyPIM™ IGBT Module is a 3-phase input rectifier PIM IGBT module with TRENCHSTOP™ IGBT7, emitter controlled 7 diode, and NTC/PressFIT technology. This module features enhanced controllability of dv/dt, improved FWD softness, optimized switching losses, and 8µs short-circuit robustness. The EasyPIM (Power Integrated Module) is very small in size that helps in attaining higher power density. This module lowers system cost and losses to meet energy efficiency requirements. Typical applications include auxiliary inverters, air conditioning, servo motor, and Heating Ventilation and Air Conditioning (HVAC).
Features
- Low on state voltage VCE(sat) and Vf
- Tvj op=175°C at overload
- Enhanced controllability of dv/dt
- Optimized switching losses for dv/dt=5kV/µs
- 8μs short-circuit robustness
- Improved FWD softness
- Higher power density due to use of smaller power modules
- Low losses to meet energy efficiency requirements
- Optimized trade-off between losses and EMI
- Lower system cost
Applications
- Auxiliary inverters
- Air conditioning
- Servo motor
- Motor control and drives
- Heating Ventilation and Air Conditioning (HVAC).
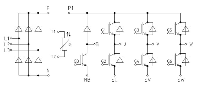
Circuit Diagram
Videos
Learn More About
Đã phát hành: 2019-04-03
| Đã cập nhật: 2026-02-12
