Infineon Technologies EB 2ED2410 3D/3M Boards
Infineon Technologies EB 2ED2410 3M/3D Boards are based on a 3M Mother/3D Daughterboard to solve fail-safe/fail operational power switches. The EB 2ED2410 3M board features the 2ED2410-EM driver, a control interface to a microcontroller, or waveform generators accessible via pin headers. The EB 2ED2410 3D-1BCD, -1BCS, -1BCDP, -1BCSP boards feature N-channel MOSFET common drain, common sources structure with or without pre-charge circuit. The EB 2ED2410 3M/3D boards are ideal for automotive or industrial applications, including electronic fuse functionality plus I-t wire protection.Features
- Motherboard EB 2ED2410 3M:
- Switch self- and wire protection (e.g. short-circuit or I-t wire protection)
- Fault identifications (via DGx pins)
- Switch operating conditions monitoring (PCB temperature and MOSFET gate-source leakage)
- Failure mode analysis of connected MOSFET
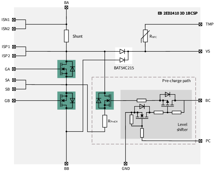
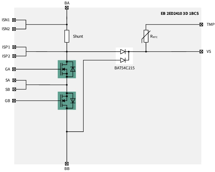
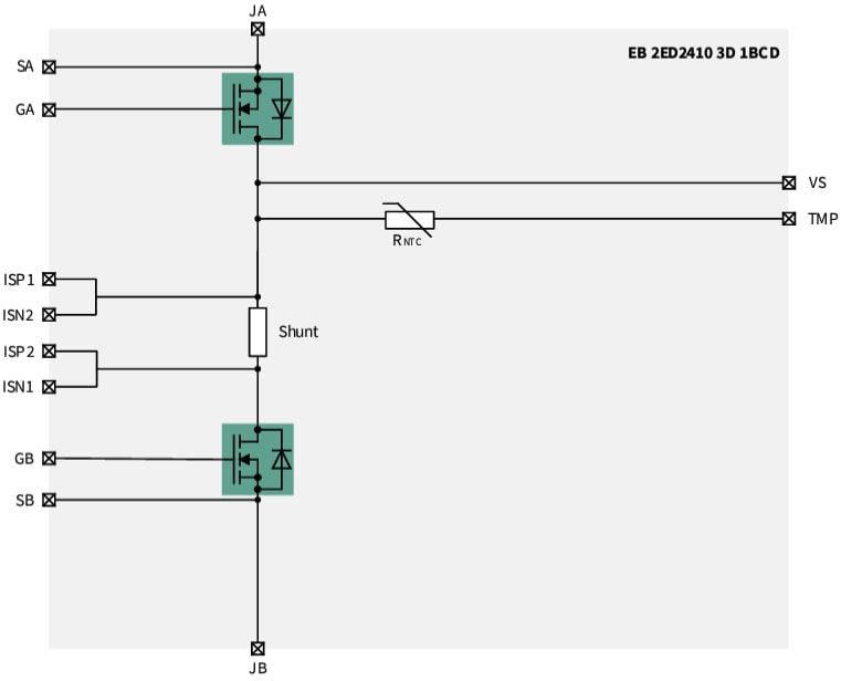
- Daughterboards EB 2ED2410 3D:
- N-channel MOSFET common drain
- Common sources structure with or without pre-charge circuit
- Designed for easy plug-and-play banana connectors
Overview of Motherboard
Overview of daughter board -1BCD
Overview of daughter board -1BCDP
Overview of daughter board -1BCS
Overview of daughter board -1BCSP
Đã phát hành: 2023-08-03
| Đã cập nhật: 2023-08-24
