Infineon Technologies IR35215MTRPBF Multiphase Buck Controller
Infineon Technologies IR35215MTRPBF Multiphase Buck Controller is an 8-phase dual loop voltage regulator designed for CPU voltage regulation. This buck controller utilizes efficiency-shaping technology to deliver exceptional efficiency at minimum cost across the entire load range. The IR35215MTRPBF controller offers dynamic phase control that adds/drops phases based on load current. This buck controller also provides a digitally programmable load line, eliminating the need for any external load line setting component. The IR35215MTRPBF controller features programmable one or 2-phase operation, digitally programmable load line, Adaptive Transient Algorithm (ATA) on loops, and auto-phase detection. This buck controller provides extensive OVP, UVP, OCP, OTP, and CFP fault protection. Typical applications include Intel® VR13, VR12.5, VR12, and IMVP8-based systems, servers, high-end desktop CPU VRs, and memory VR.Features
- Low quiescent power output PWM controller with dual loops and flexible phase allocation
- Intel® VR13 rev1.1, VR12.5 rev1.5, VR12 rev1.7, IMVP8 rev1.2, and memory VR modes
- 200kHz to 2MHz per phase switching frequency
- Infineon efficiency shaping features, including dynamic phase control and automatic power state switching
- Programmable 1- or 2-phase operation for light loads and active diode emulation for very light loads
- Digitally programmable load line
- Infineon Adaptive Transient Algorithm (ATA) on both loops minimizes output bulk capacitors and system cost
- Auto-phase detection with PID coefficient auto-scaling
- OVP, UVP, OCP, OTP, CFP, cycle-by-cycle current limit fault protections
- I2C/SMBus/PMBus system interface for reporting temperature, voltage, current, and power telemetry for both loops
- Multiple-Time-Programming (MTP) with up to 27 writes for the USER section
- Compatible with industry-standard 3.3V tri-state drivers
- 3.3V supply voltage
- -40°C to 85°C ambient operation
- Pb-free and RoHS-compliant
- 5mm x 5mm 40-pin, 0.4mm pitch QFN
Applications
- Intel VR13, VR12.5, VR12, and IMVP8 based systems
- Servers and high-end desktop CPU VRs
- Memory VR
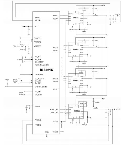
Application Circuit Diagram
Đã phát hành: 2020-08-26
| Đã cập nhật: 2024-11-21
