Infineon Technologies LITIX™ LED Lighting Development Tools
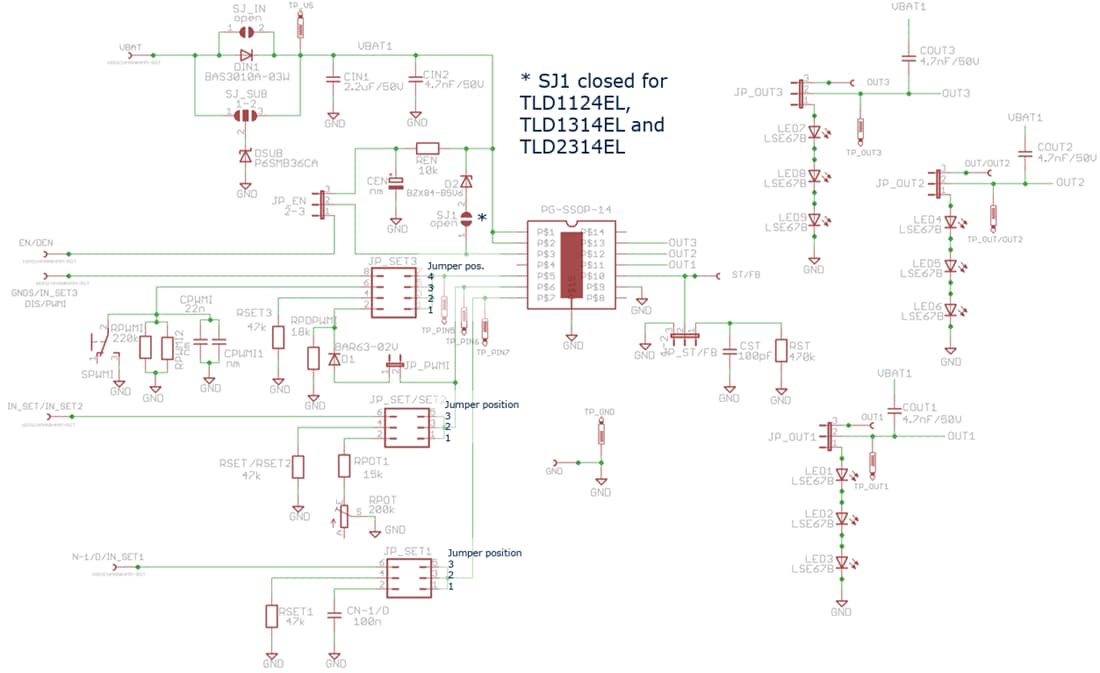
Infineon Technologies LITIX™ LED Lighting Development Tools are designed to evaluate the basic LED driver family that offers maximum design flexibility. All required device pins can be connected via test sockets. This one board can be used for TLD1124EL, TLD1125EL, TLD1311EL, TLD1314EL, TLD1315EL, TLD1326EL, TLD2311EL, and TLD2314EL LED drivers.Demo Board Schematic
Đã phát hành: 2025-02-12
| Đã cập nhật: 2025-02-19
