Infineon Technologies MOTIX™ TLE9189 Gate Driver ICs
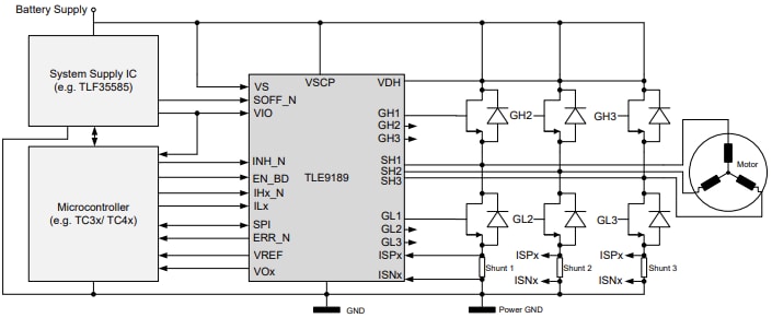
Infineon Technologies MOTIX™ TLE9189 Gate Driver ICs are 3-phase ICs designed for safety-critical applications for 12V brushless DC motors. These driver ICs feature AEC-Q100 Grade 0 and ISO 26262 compliance, making them ideal for brake-by-wire and steer-by-wire systems where conventional mechanical connections will be eliminated in the future. Additional features include a conventional motor control concept that consists of PWM input and integrated current sense amplifiers for accurate current sensing. Infineon Technologies MOTIX TLE9189 Gate Driver ICs include a unique adaptive MOSFET control function that can help improve EMC performance, achieve target switching time, and reduce power losses.Features
- High power 3-phase bridge driver for switching of 6 N-channel FETs with a QGtot of 200nC at a 20kHz PWM
- Current source controlled output stages Gxx with adaptive MOSFET gate control
- 0% to 100% duty cycle and adjustable without restrictions
- 3 current sense amplifiers for low side shunt current measurement with a high accuracy of 1% and fast settle time of 1μs
- Specified fully functional supply voltage range of 4.2V to 36V for a 12V battery supply systems
- Configurable failure reactions, including motor brake function
- Extended monitoring and diagnostic functions via serial peripheral interface (SPI)
- Developed according to ISO 26262 ASIL-D
- Additional safe state control pin SOFF_N
- High-voltage-rated digital input and output pins
- ISO 26262 Safety Element out of Context for safety requirements up to ASIL D
- Safety barrier to microcontroller interface
- SPI window watchdog for microcontroller supervision
- Passive clamping of external FETs
- Low quiescent current mode
- Optimized pinout
- Green product (RoHS compliant)
- AEC qualified
Applications
- Electric power steering (EPS)
- Electric brake boosters (EBB)
- Functional safety-related BLDC or PMSM motor drives
Videos
Block Diagram
Đã phát hành: 2024-11-04
| Đã cập nhật: 2025-09-26
