Infineon Technologies StrongIRFET™ 2 Power MOSFETs
Infineon Technologies StrongIRFET™ 2 Power MOSFETs are N-channel, normal level, and 100% avalanche tested MOSFETs. The Infineon StrongIRFET 2 MOSFETs are optimized for a wide range of applications. The MOSFETs offer a VDS range of 80V to 100V and an RDS(on) from 2.4mΩ to 8.2mΩ.Features
- Optimized for a wide range of applications
- N-channel, normal level
- 100% avalanche tested
- Pb-free lead plating
- RoHS compliant
- Halogen-free according to IEC61249-2-21
Package Circuit Application
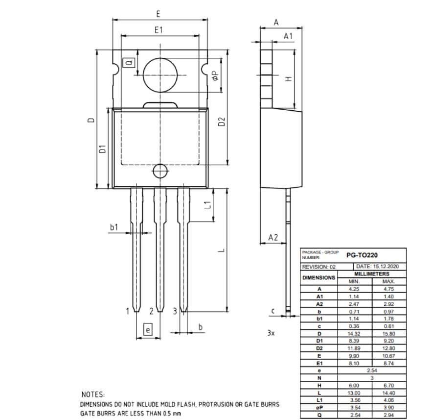
Package Style
Đã phát hành: 2021-01-21
| Đã cập nhật: 2025-09-24
