Infineon Technologies TLD5099EP_VSPC Voltage mode SEPIC Evaluation Board
Infineon Technologies TLD5099EP_VSPC Voltage mode SEPIC Evaluation Board is designed to evaluate the TLD5099EP controller configured in the voltage-mode SEPIC topology for medium power applications. This evaluation board delivers up to 12W to the load with above 85% efficiency. The SWCS pin connected to the current-mode shunt acts as a rough limiter, limiting the short-to-ground current to about 3.6A. This evaluation board can be implemented as a DC-DC power supply with a constant voltage output. Typical applications include automotive and lighting.Features
- Evaluate the TLD5099EP configured in the voltage-mode SEPIC topology
- DC-DC power supply with constant voltage output
- Short-to-ground current is limited to 3.6A by the SWCS pin connected to the current-mode shunt
- Delivers up to 12W to the load with above 85% efficiency
- 8V to 27V supply voltage range
- 12V output voltage
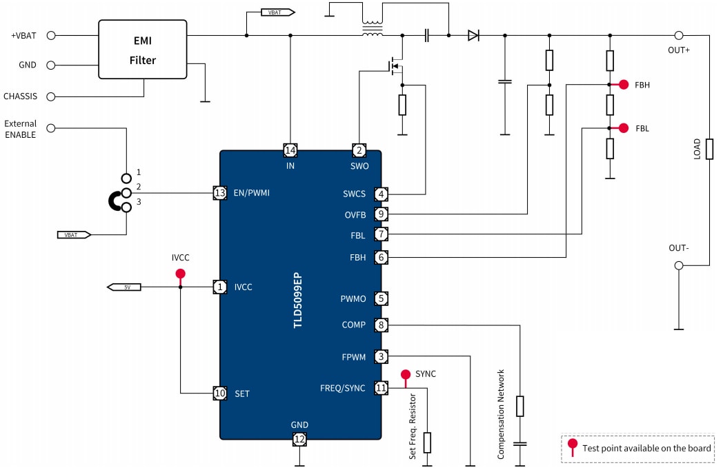
Simplified Schematic
Performance Graph
Đã phát hành: 2020-08-10
| Đã cập nhật: 2024-11-15
