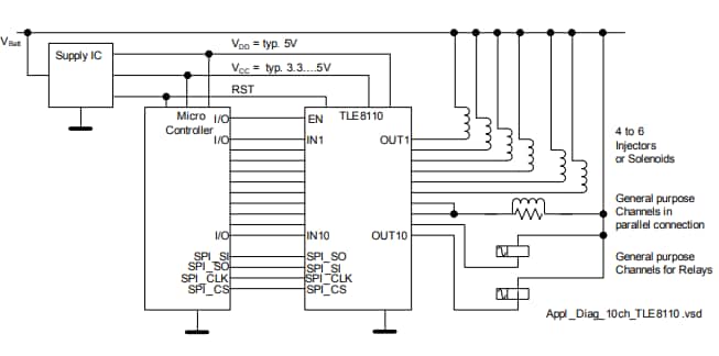
Infineon Technologies TLE8110ED Power Switch IC
Infineon TLE8110ED Power Switch IC is a 10-channel low-side switch in Smart Power Technology (SPT) with Serial Peripheral Interface (SPI) and 10 open-drain DMOS output stages. The output stages are controlled via parallel input pins for Pulse Width Modulation (PWM) use or SPI interface. The TLE8110ED is equipped with 10-parallel input pins that are routed to each output channel and allows control of the channel for loads driven by PWM. This power switch features a central clamping structure, 16-bit SPI interface, compact control, safe communication, overvoltage, overtemperature, and ESD protection. The TLE8110ED power switch IC is protected by embedded protection functions and designed for automotive and industrial applications.Features
- Over-voltage, over-temperature, and ESD-protection
- Direct parallel PWM control of all channels
- Safe communication (SPI and Parallel)
- Efficient communication mode called compact control
- Compatible with 3.3V and 5V microcontrollers I/O ports
- Central clamping structure called clampSAFE for highly-efficient parallel use of the channels
- Green Product (RoHS compliant)
- Completely lead-free
- AEC-qualified
Applications
- Power switch automotive
- Industrial systems switching solenoids
- Relays
- Resistive loads
TLE8110ED Block Diagram
Đã phát hành: 2018-05-25
| Đã cập nhật: 2022-08-08
