Infineon Technologies TLE9351BVSJ High-Speed CAN FD Transceiver
Infineon Technologies TLE9351BVSJ High-Speed CAN FD Transceiver is designed to protect the microcontroller against interferences generated inside the network. This transceiver offers a very low level of Electromagnetic Emission (EME) and meets EMC test limits without the need for a common mode choke. The TLE9351BVSJ transceiver supports data transmission rates up to 5Mbit/s and CAN FD data frames. This transceiver includes a bus Wake-Up Pattern (WUP) function with optimized filter time for OEM usage. The TLE9351BVSJ transceiver is used in the Engine Control Units (ECUs), Body Control Modules (BCMs), Transmission Control Units (TCUs), and electric power steering.The TLE9351BVSJ transceiver features overtemperature protection, TxD timeout function, and <18μA @5V STB Quiescent current. This transceiver complies with ISO 11898-2:2016 and SAE J2284-4/-5 standards and is certified as per Vehicle LAN Interoperability and Optimization (VeLIO) test requirements. The TLE9351BVSJ transceiver is protected from automotive transients according to ISO 7637 and SAE J2962-2.
Features
- Bus Wake-Up Pattern (WUP) function with optimized filter time for OEM usage
- Standby mode with minimized quiescent current
- Transmitter supply VCC can be disabled in standby mode to minimize Quiescent current
- TxD timeout function
- Very low CAN bus leakage current in power-down state
- Overtemperature protection
- VIO input for voltage adaption to the microcontroller interface (3.3V or 5V)
- Loop delay symmetry for CAN FD data frames up to 5Mbit/s
- Certified according to Vehicle LAN Interoperability and Optimization (VeLIO) test requirements
- Excellent ESD robustness
- Protected against automotive transients according to ISO 7637 and SAE J2962-2
- Available in a RoHS-compliant and halogen-free PG-DSO-8 package
Applications
- Engine Control Units (ECUs)
- Body Control Modules (BCMs)
- Transmission Control Units (TCUs)
- Electric power steering
- Chassis control modules
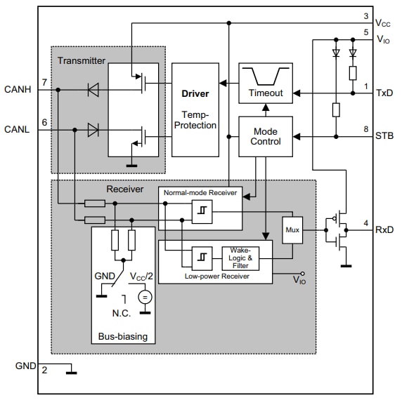
TLE9351BVSJ Block Diagram
Đã phát hành: 2024-03-11
| Đã cập nhật: 2025-02-12
