Infineon Technologies TLS203B0LDV Demo Board
Infineon Technologies TLS203B0LDV Demo Board is designed to evaluate the TLS203B0, a low noise, micropower, and low dropout voltage regulator. This device can supply an output current of 300mA with a low dropout voltage of 270mV. The low quiescent current of 30μA makes it ideal for battery-powered systems. Infineon Technologies TLS203B0LDV Demo Board features an adjustable output voltage range of 1.22V to 12V and a wide input voltage range of 1.8V to 20V. Typical applications include infotainment, memory, CPUs, cameras, driver assistance systems, and more.Features
- Evaluates TLS203B0 voltage regulator
- Low noise down to 24µV
- Wide 1.8V to 20V input voltage range
- Low 270mV dropout voltage
- 1.22V to 12V adjustable output voltage
- 300mA current capability
- 30μA low quiescent current
- Low <1μA shutdown current
- Stable with ≥3.3μF output capacitor
- PG-DSO-8 exposed pad and PG-TSON-10 exposed pad packages
- AEC qualified
- RoHS compliant
Applications
- Infotainment
- Cameras
- Display supplies
- Memory
- CPUs
- Driver assistance systems
- Radars
- Cameras
- FPGA core supplies
- High current post-regulators
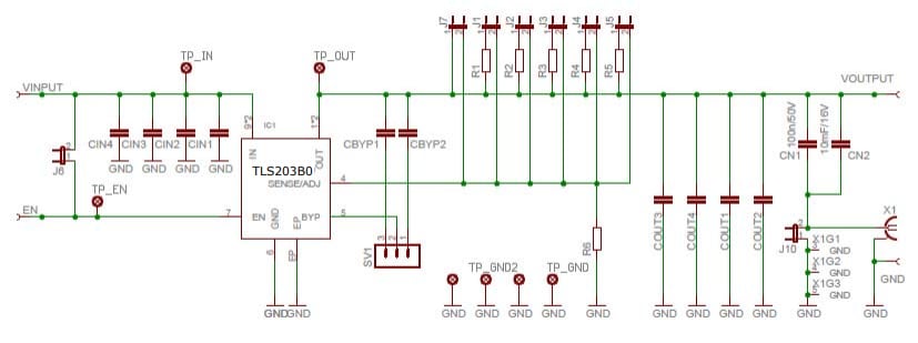
Board Overview
Schematic
Đã phát hành: 2019-12-10
| Đã cập nhật: 2024-02-12
