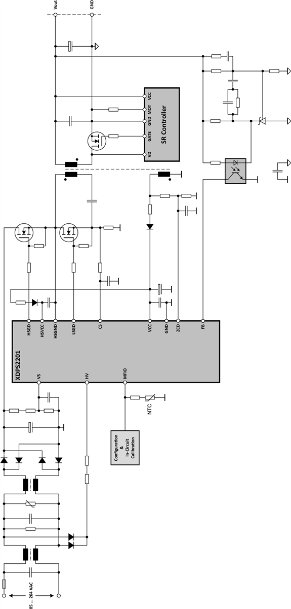
Infineon Technologies XDPS2201 Hybrid-Flyback Controller
Infineon Technologies XDPS2201 Hybrid-Flyback Controller is based on an asymmetrical half-bridge control. This half-bridge drives a conventional flyback transformer in conjunction with a serial capacitor. The main inductance of the flyback transformer and the serial capacitor are building a resonant tank, which is used for achieving Zero Voltage Switching (ZVS). The XDPS2201 switching controller features 600V high voltage start-up cell for fast charging and low standby power. This controller offers peak current mode control for robust and fast line and load control. The XDPS2201 switching controller IC is ideally used in AC/DC SMPS and ultra high-power density adapters.Features
- Integrated half-bridge driver in DSO-14 (150mil) package
- 600V high voltage start-up cell for fast charging and low standby power
- Peak current-mode control for robust and fast line and load control
- Burst mode entry/exit operation based on output current estimation
- Primary side output overvoltage protection
- Supports lowest no-load standby power <75mW
- Wide range of configurable parameters via one pin UART interface
- Lowest necessary bill of material
- Configurable brown-in and brown-out protection
- Configurable built-in soft-start
- Configurable output overvoltage protection
- Configurable burst mode entry and exit current thresholds with small hysteresis
- Configurable overcurrent protection with two levels for peak and transient load
- Configurable frequency reduction with cycle skipping for improved low load efficiency
- Configurable jitter for switching frequency
- Configurable propagation delay compensation for accurate peak current control
- Pb-free lead plating
- RoHS compliant and halogen-free according to IEC61249-2-21
Applications
- AC/DC SMPS
- Ultra high-power density adapter >20W/inch3
- Ultra high-efficiency SMPS >93%
Typical Application Circuit
Block Diagram
Đã phát hành: 2021-03-25
| Đã cập nhật: 2022-03-11
