Kinetic Technologies KTS1601 Evaluation Kit
Kinetic Technologies KTS1601 Evaluation Kit is designed to evaluate and demonstrate the functionality, performance, and PCB layout of the KTS1601 2A slew rate-controlled load switch. This kit consists of a fully assembled and tested PCB with the KTS1601 IC installed and a quick start guide. The KTS1601 evaluation kit is ideal for mobile phones and tablets, portable instruments, DSC, DVR, GPS, and Solid State Drives (SSDs).Features
- 1.5V to 5.5V operating voltage range
- Up to 2A continuous DC current
- 2.7ms built-in slew rate controlled turn-on
- <1µA low quiescent current
- -40°C to 85°C operating temperature range
Applications
- Mobile phones and tablets
- Solis State Drive (SSD)
- Portable instruments
- DSC, DVR, and GPS
Kit Contents
- 1 x KTS1601 eval kit fully assembled PCB
- 1 x anti-static bag
- 1 x quick start guide
- 1 x eval kit box
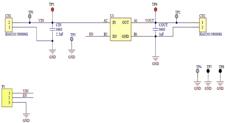
Electrical Schematic Diagram
PCB Layout
Additional Resource
Đã phát hành: 2023-07-03
| Đã cập nhật: 2023-07-13
