Kingston Universal Flash Storage (UFS) Devices
Kingston Universal Flash Storage (UFS) Devices combine the 3D NAND and UFS controller inside as one JEDEC standard package, providing a standard interface to the host. The UFS controller directly manages NAND flash, including ECC, IOPS optimization, wear-leveling, and read sensing. These UFS devices feature error-free memory access and 1.2V typical VCCQ and 2.5V typical VCC operating voltages. The UFS devices operate within the -25°C to 85°C temperature range and are RoHS compliant. Typical applications include smartphones, cameras, tablets, electronic toys, smart homes, wearable, automotive sensors, Virtual Reality (VR), and unmanned aerial vehicles that require mass storage.Features
- UFS layering:
- UFS Command Set Layer (UCS)
- UFS Transport Protocol Layer (UTP)
- UFS Interconnect Layer (UIC)
- Error-free memory access:
- Internal Error Correction Code (ECC) to protect data communication
- Internal enhanced data management algorithm
- Solid protection of sudden power failure safe-update operations for data content
- Security:
- Discard
- Replay Protected Memory Block (RPMB)
- Support secure bad block erase commands
- Enhanced write protection with permanent and partial protection options
- Performance:
- High priority interrupt
- Background operation
- Command queuing
- Data tag
- Context ID
- Cache operation
- Write booster
- Host performance booster
- Reliability:
- Dynamic capacity
- Real-time clock
- Production State Awareness (PSA)
- RoHS compliant
Specifications
- Support for high-speed gear rates up to HS-GEAR4 (2-lane):
- PWM:
- Supports gear 1
- HS-BURST:
- Supports gear 1 to 4
- PWM:
- Packaged NAND flash memory with UFS 3.1 interface
- Compliant with UFS 3.1
- Operating voltage:
- 1.2V typical VCCQ
- 2.5V typical VCC
- -25°C to 85°C operating temperature range
Applications
- Smartphones
- Cameras
- Tablets
- Electronic toys
- Smart homes
- Wearable
- Automotive sensors
- Virtual Reality (VR)
- Unmanned aerial vehicles that require mass storage.
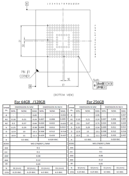
Block Diagram
Đã phát hành: 2023-10-10
| Đã cập nhật: 2025-03-17
