Littelfuse LS24062RQ23 Bidirectional eFuse
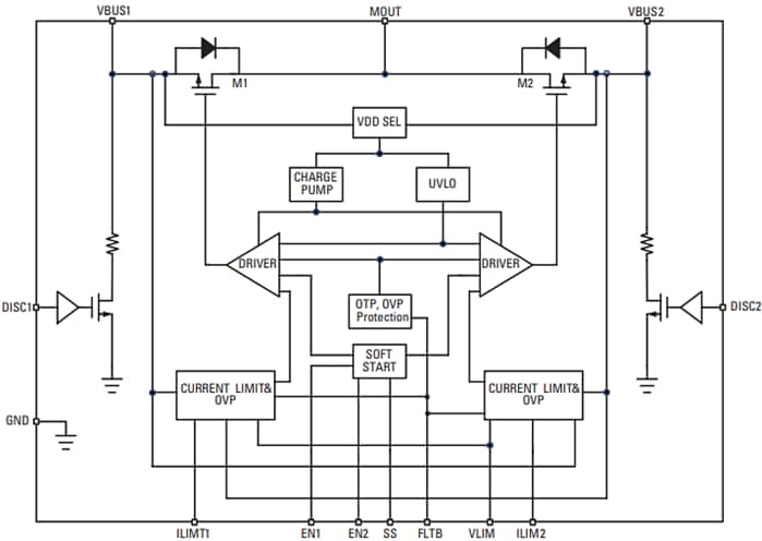
Littelfuse LS24062RQ23 Bidirectional eFuse offers two input / output ports, VBUS1 and VBUS2, with an absolute maximum rating of 30V. Each port provides external current limit setting, independent enable, and discharge control pins. This advanced 28V 6A-rated bidirectional load switch protects against overload, short circuits, input voltage surges, excessive inrush current, and overtemperature. The integrated 24mΩ ultra-low RDS(ON) power switch helps reduce power loss during normal operation. Littelfuse LS24062RQ23 Bidirectional eFuse comes in a low-profile 2.5mm x 3.2mm 16-lead QFN package. Typical applications include notebooks, desktops, servers, tablets, dongle and docking stations, power accessories, and Thunderbolt / USB Type-C® PD power switches.Features
- Wide 3V to 24V supply voltage range
- 30V tolerance on port VBUS1 and VBUS2
- Integrates 24mΩ ultra-low RDS(ON) protection switch
- External adjustable soft-start time
- External adjustable input overvoltage threshold
- Short-circuit protection
- Fault indicator
- Thermal shutdown protection and auto recovery
- Each port VBUS1/VBUS2 independent control
- External adjustable current limit
- Enable interface pin
- Port discharge interface pin
- 2.5mm x 3.2mm 16-lead QFN package
- Lead free and RoHS compliant
- UL Recognized to UL 62368-1
Applications
- Notebooks, desktops, servers, and tablets
- Dongle and docking stations
- Power accessories
- Thunderbolt / USB Type-C PD power switches
Typical Application
Functional Block Diagram
Đã phát hành: 2022-12-21
| Đã cập nhật: 2025-07-23
