Luminus Devices CBM-50X-UV Ultraviolet Chip On Board LEDs
Luminus Devices CBM-50X-UV Ultraviolet Chip On Board LEDs are based on the latest chip technology that enables ultra-high power density operation up to 4A/mm2. These LEDs feature Mosaic array UV LEDs chipset with a 5.2mm2 emitting area and 1:1 aspect ratio. The CBM-50X-UV LEDs are specified for flux and peak wavelength at a drive current of 2A with a 20ms pulse at 25°C. These ultraviolet LEDs are available in a wide range of 365nm to 410nm UVA wavelengths. The CBM-50X-UV LEDs are suitable for 3D printing and additive manufacturing, medical and scientific instrumentation, machine vision, and fiber-coupled illumination.Features
- Mosaic array UV LED chipset with 5.2mm2 emitting area and 1:1 aspect ratio
- The latest chip technology enables ultra-high power density operation up to 4A/mm2
- Available in a wide range of 365nm to 410nm UVA wavelengths
- Isolated, high thermal conductivity isolated copper core board package
- Low-profile window for efficient coupling into small-etendue systems
- Environmentally friendly:
- REACH, RoHS, and halogen compliant
Applications
- 3D printing and additive manufacturing
- Machine vision
- Fiber-coupled illumination
- Medical and scientific instrumentation
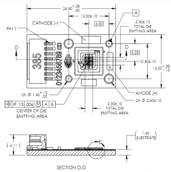
Mechanical Dimensions (mm)
Đã phát hành: 2022-06-20
| Đã cập nhật: 2022-06-27
