M5Stack Atomic ToUnit Base Interface Adapter Board
M5Stack Atomic ToUnit Base Interface Adapter Board is designed specifically for the Atom series controllers. This board converts the Atom controller’s bottom expansion I/O into a male HY2.0-4P connector, allowing direct connection to Unit series devices. The tomic ToUnit Base adapter board is equipped with a DIP switch for flexible configuration of the Atom bottom I/O connections. This board facilitates seamless expansion and interconnection between Atom and Unit series devices.
Features
- Atom controller bottom I/O expansion for unit devices
- Built-in DIP switch for flexible IO pin configuration
Applications
- Atom series controller unit interface adapter board
Specifications
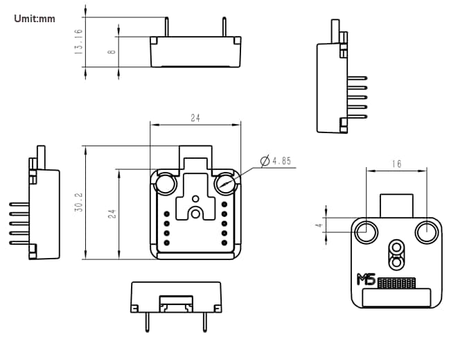
- 30.2mm x 24mm x 13.1mm dimension
- 4.6g weight
- 138mm x 93mm x 13mm package size
- 7.8g gross weight
Kit Contents
- 1 x Atomic ToUnit base
- 1 x hex key L-shape 1.5mm (for M2 screw)
- 1 x M2 x 10mm screw (pan head and self-tapping)
- 1 x DIP switch label sticker
Schematic Diagram
Mechanical Diagram
Videos
Đã phát hành: 2026-01-14
| Đã cập nhật: 2026-01-22
