M5Stack COMMU Module
M5Stack COMMU Module is a compact multi-communication-interface and converter. The COMMU includes two I2C interfaces, one CAN interface, one RS485 interface, and one TTL interface. The TTL interface is configured as a UART interface by default, but it can be easily switched to UART2 by configuring the COMMU Module's jumpers.The M5Stack COMMU Module features a compact 54.2mm x 54.2mm x 13mm form factor and weights only 13.5g.
Overview
MBUS Pinmaps
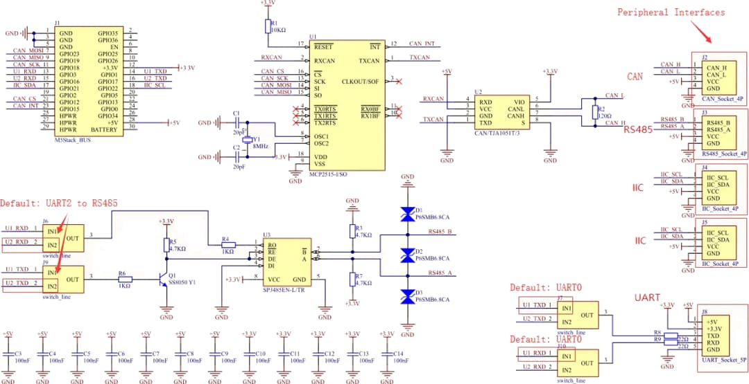
Schematic
Đã phát hành: 2021-01-27
| Đã cập nhật: 2022-03-11
