MACOM CGHV31500F1-AMP Evaluation Board
MACOM CGHV31500F1-AMP Evaluation Board facilitates the evaluation of the CGHV31500F1 2.7GHz – 3.1GHz, 500W GaN HEMT. The CGHV31500F1 HEMT delivers an extended pulse capability to meet the developing trends in radar architectures. The CGHV31500F1 is specifically designed for the 2.7GHz to 3.1GHz S-Band radar band.The MACOM CGHV31500F1-AMP Evaluation Board is delivered with the CGHV31500F1 HEMT installed.
Features
- 500W Psat
- >65% DE
- 13dB LSG
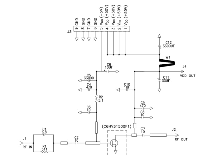
Schematic Drawing
Đã phát hành: 2021-11-15
| Đã cập nhật: 2024-01-18
