MACOM CMPA5259050S-AMP1 Test Board
MACOM CMPA5259050S-AMP1 Test Board is designed to quickly and easily demonstrate the CMPA5259050S amplifier. The CMPA5259050S GaN MMIC Power Amplifier includes a two-stage reactively matched amplifier design approach enabling high power and power-added efficiency. The gallium nitride (GaN) High Electron Mobility Transistor (HEMT) based monolithic microwave integrated circuit (MMIC) features 27dB small-signal gain, 65W typical PSAT, and up to 28V operation.The MACOM CMPA5259050S-AMP1 Test Board includes the CMPA5259050S amplifier.
Features
- >50% typical power-added efficiency
- 27dB small signal gain
- 65W typical PSAT
- Operation up to 28V
- High breakdown voltage
- High-temperature operation
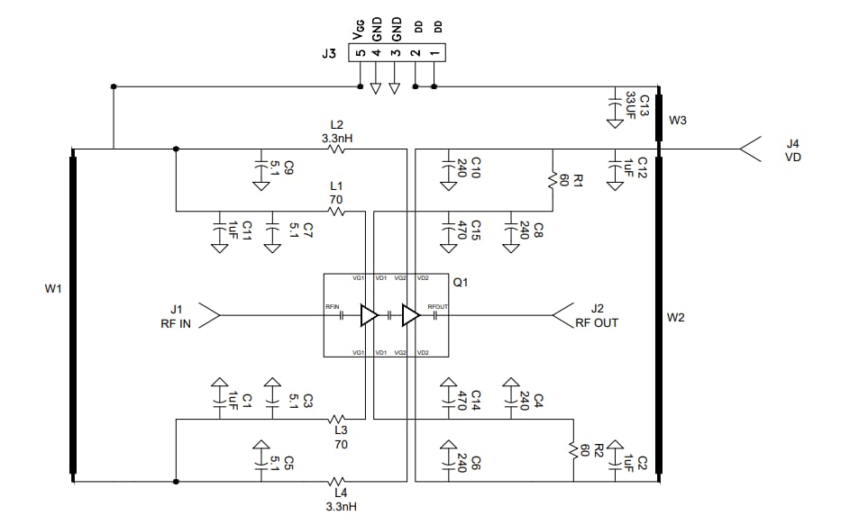
Demonstration Amplifier Schematic
Đã phát hành: 2022-05-25
| Đã cập nhật: 2024-01-18
