MACOM GTVA High Power RF GaN on SiC HEMTs
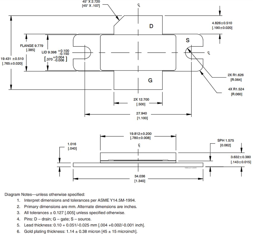
MACOM GTVA High Power RF Gallium Nitride (GaN) on Silicon Carbide (SiC) High Electron Mobility Transistors (HEMTs) offer high power density coupled with a high breakdown voltage, enabling highly efficient power amplifiers. This 50V series features input matching, high efficiency, and thermally enhanced packages. The pulsed / continuous wave (CW) devices have a pulse width of 128µs and a duty cycle of 10%. MACOM GTVA High Power RF GaN on SiC HEMT devices are offered in an H-36248-2 lead-free and RoHS-compliant package.Features
- GaN on SiC HEMT technology
- Input matched
- Human body model class 1C (per AnSI/ESDA/JEDEC JS-001)
- 50V drain operating voltage
- H-36248-2 package
- Lead free and RoHS compliant
Applications
- Avionics
- Military
- High power amplifiers
Package Outline
Đã phát hành: 2019-04-29
| Đã cập nhật: 2024-01-19
