MACOM MAAP-011232 1W Driver Amplifier
MACOM MAAP-011232 1W Driver Amplifier is a 2-stage power amplifier with VG Enable and gain shut off, operating from 100MHz to 3GHz with no I/O matching required. The MAAP-011232 features a gain of 23dB with a P-1dB of 29dBm and PSAT 30dBm. An internal DC blocking is provided at the input, while the RF output port is DC coupled through an external bias tee. The MACOM MAAP-011232 is well suited to power and driver requirements for multiple applications like LMR, Milcom, sensors and telemetry, test and measurement, and Satcom.Features
- 23dB gain rating
- 29dBm P-1dB rating
- 30dBm PSAT rating
- 40% PAE at PSAT
- 40dBm OIP3
- 9V, 265mA typical bias conditions
- Fully matched output
- Lead-free 3mm 16-LD PQFN package
- Halogen-free "Green" mold compound
- RoHS compliant
Applications
- LMR
- Milcom
- Sensors and telemetry
- Test and Measurement
- Satcom
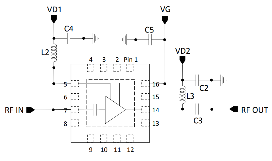
Schematic
Đã phát hành: 2016-09-26
| Đã cập nhật: 2022-03-11
