MACOM MAMF-011119 1-6GHz Integrated Switch & LNA Modules

MACOM MAMF-011119 1-6GHz Integrated Switch and LNA Modules combine a compact surface mount, highly integrated, high power SPDT switch, and 2-stage, low noise amplifier (LNA) module. The MACOM MAMF-011119 Modules include an antenna switch and an LNA combined in a compact 6mm QFN package.

The MAMF-011119 Module operates from 1GHz to 6GHz, and all the bias circuitry and matching components are internal to the module. Additional features of the device include high power handling, low noise figure, high linearity, and low power consumption.

A single 5V supply is required, and the T/R switch is 1.8V CMOS compatible on the module. The MAMF-011119 is ideal for 5G Massive MIMO, Small Cell BTS, or other TDD-based communication systems.

Features

  • High-power SPDT switch and 2-stage LNA
  • 1GHz to 6GHz broadband
  • No external matching components are required
  • Single 5V bias
  • 78mA in RX mode low DC
  • Integrated control circuitry with 1.8V logic
  • Lead-free 6mm 20-lead QFN package
  • HBM ESD class 1C
  • RoHS compliant

Specifications

  • 50dB receive isolation
  • 0.4dB transmit insertion loss
  • 35dB gain
  • 1.2dB noise figure (NF)
  • 78mA bias current
  • 1GHz Min frequency
  • 6GHz Max frequency
  • 5V bias voltage
  • 31dBm OIP3
  • 40.5dBm output P1dB

Applications

  • 5G mMIMO
  • Wireless infrared
  • Milcom

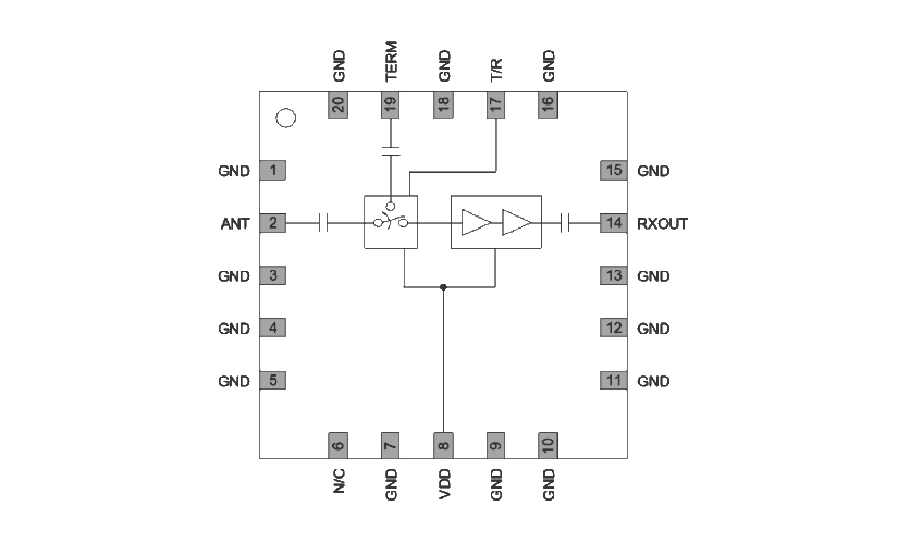
Functional Schematic

Schematic - MACOM MAMF-011119 1-6GHz Integrated Switch & LNA Modules

Application Schematic

Schematic - MACOM MAMF-011119 1-6GHz Integrated Switch & LNA Modules
Đã phát hành: 2019-12-16 | Đã cập nhật: 2023-08-31