MACOM MAAL-010528 X-Band LNA
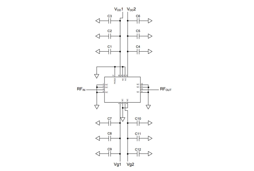
MACOM Technology MAAL-010528 X-Band Low Noise Amplifier (LNA) operates from 8GHz to 12GHz, providing a nominal gain of 20dB with excellent gain flatness, high OIP3 linearity of 26dBm, and a mid-band noise figure of 1.6dB. This high-performance monolithic microwave IC features a self-bias architecture that requires only a single, positive supply. This MACOM device is internally matched to 50Ω input/output. The device's ease of use and excellent performance parameters make it ideal for use in a variety of applications, including Vsat, radar, and microwave radios.The MAAL-010528 is housed in a miniature Power Quad Flat No Lead (PQFN) surface mount plastic package.
Features
- 8GHz to 12GHz operating frequency
- 20dB typical gain
- 1.6dB noise figure
- Single +4V bias @ 60mA
- Fully internally matched to 50Ω
- -40°C to +85°C operating temperature range
- PQFN-16 package type
- 3mm x 3mm package dimensions
- Halogen-free "Green" mold compound
- RoHS compliant and 260°C reflow compatible
Applications
- Vsat
- Radar
- Microwave radios
Pin Configuration
Application Schematic
Package Outline
Đã phát hành: 2013-03-04
| Đã cập nhật: 2022-03-11
