MEAN WELL DLC-02 DALI Controllers/Gateways

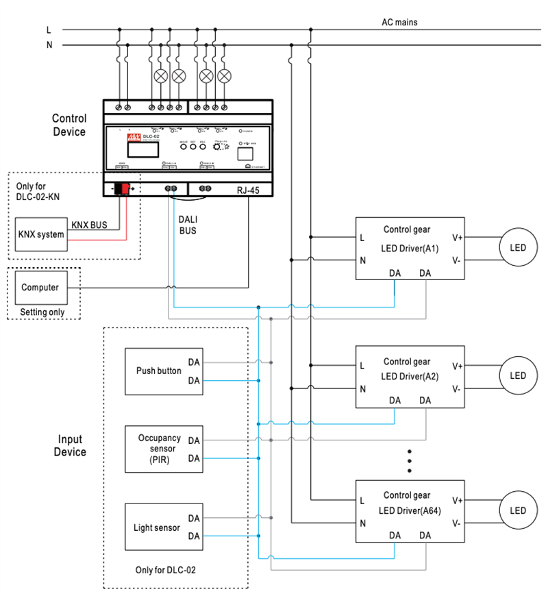
MEAN WELL DLC-02 DALI Controllers/Gateways are multi-master application controllers that obtain DALI-2 system information from the DALI input device and control the DALI ECGs to make lighting effects. Devices in the DALI bus can be scanned, configured, and set through the PC software allowing simple DALI lighting system installations. The DLC-02 devices adopt Class II with an insulated plastic casing and DIN-Rail mounting design (144mm in width), which can be quickly installed in the distribution box for easy integration with other building automation products. The series also complies with the latest DALI-2 controller regulation and provides 2 channels of DALI bus output.

Features include a built-in DALI power supply that provides 250mA maximum allowing each channel to be connected with a maximum of 64 luminaires and 12 wall switches or sensors. An integrated DALI-2 relay control function allows control of electrical devices or curtain motors. An installer arranges the scheduling to manage the Luminaires automatically allowing completion through a built-in timer function. The installer can also set up light scenes and grouping control.

The DLC-02-KN component is a KNX to DALI gateway and can be used to connect a digital DALI lighting system to KNX installations. This device transforms switch and dim commands from the connected KNX system into DALI telegrams and status information from the DALI bus into KNX telegrams.

Features

  • DALI-2 multi-master application controller
  • Two independent DALI Bus channels with built-in DALI power supply (up to 250mA per bus)
  • Connect up to 2 x 64DALI ECGs/Driver and up to 2 x 12 DALI input devices
  • Maximum of 16 scenes and group settings per channel
  • LCD display and LED indicators/buttons for local operation
  • Built-in 250V/5A x 4 relay
  • Easy installation and configuration via PC software or Web browser
  • Multiple control effects based on the time event and input devices
  • Support for DALI-2 devices (207/208/301/302/303/304 parts)
  • 5-year warranty

Applications

  • Office lighting
  • Smart home lighting
  • Luxury villa lighting
  • LED indoor lighting
  • Building automation systems

Specifications

  • Output
    • 2x 16V range built-in DALI bus power supply
    • 2x 250mA maximum supply current, 2x 240mA guaranteed
    • 7.68W power
    • 250ms setup time at 115VAC
    • 50ms rise time at 230VAC
  • Functions
    • 1x USB slave connector, type-B
    • OLED display
    • Indicators
      • 2x LED indicators for BUS voltage
      • 4x LED indicators for relay
      • 1x LED indicator for power on
    • 3-button generic settings (MOVE, SET, and ESC) on the front panel to set and view settings
    • Ethernet control via a Web browser
    • Relay
      • 10A at 125VAC
      • 5A at 250VAC
  • Input
    • 100VAC to 305VAC/140VDC to 430VDC range
    • 47Hz to 63Hz frequency range
    • 45A typical inrush current at 230VAC, cold start
    • AC currents
      • 0.25A at 230VAC
      • 0.5A at 115VAC
  • Short circuit protection
  • Environmental
    • Temperature ranges
      • -25°C to +45°C operating
      • -25°C to +70°C storage
    • Relative humidity, non-condensing
      • 5% to 93% operating
      • 10% to 95% storage
  • 144mm x 90mm x 58.3mm in dimensions (LxWxH)

Block Diagram

Block Diagram - MEAN WELL DLC-02 DALI Controllers/Gateways

Installation Diagram

MEAN WELL DLC-02 DALI Controllers/Gateways
Đã phát hành: 2021-08-02 | Đã cập nhật: 2025-11-11