Microchip Technology ATmega32U4 8-bit MCU with USB Controller
Microchip Technology ATmega32U4 8-bit Microcontroller (MCU) with USB Controller is a low-power, AVR® RISC-based device featuring 32KB self-programming flash program memory, 2.5KB SRAM, 1KB EEPROM, USB 2.0 full-speed/low-speed device module, 12-channel, 10-bit analog-to-digital converter, and JTAG interface for on-chip-debug. This Microchip device achieves up to 16 MIPS throughput at 16MHz and 2.7 to 5.5V operation. By executing powerful instructions in a single clock cycle, Microchip ATmega32U4 MCU achieves throughputs approaching 1MIPS per MHz, allowing you to optimize power consumption versus processing speed.Features
- High Performance, Low Power AVR® 8-Bit Microcontroller
- Advanced RISC Architecture
- 135 Powerful Instructions Most Single Clock Cycle Execution
- 32 x 8 General Purpose Working Registers
- Fully Static Operation
- Up to 16 MIPS Throughput at 16 MHz
- On-Chip 2-cycle Multiplier
- Non-volatile Program and Data Memories
- 32K Bytes of In-System Self-Programmable Flash
- 2.5K Bytes Internal SRAM
- 1K Bytes Internal EEPROM
- Write/Erase Cycles: 10,000 Flash/100,000 EEPROM
- Data retention: 20 years at 85°C/ 100 years at 25°C(1)
- Optional Boot Code Section with Independent Lock Bits
- In-System Programming by On-chip Boot Program
- True Read-While-Write Operation
- All supplied parts are preprogrammed with a default USB bootloader
- Programming Lock for Software Security
- JTAG (IEEE std. 1149.1 compliant) Interface
- Boundary-scan Capabilities According to the JTAG Standard
- Extensive On-chip Debug Support
- Programming of Flash, EEPROM, Fuses, and Lock Bits through the JTAG Interface
- USB 2.0 Full-speed/Low-Speed Device Module with Interrupt on Transfer Completion
- Complies fully with Universal Serial Bus Specification Rev 2.0
- Supports data transfer rates up to 12 Mbit/s and 1.5 Mbit/s
- Endpoint 0 for Control Transfers: up to 64-bytes
- 6 Programmable Endpoints with IN or Out Directions and with Bulk, Interrupt or Isochronous Transfers
- Configurable Endpoints size up to 256 bytes in double bank mode
Applications
- Sensors for industrial automation
- PC peripherals
- PC accessories
- Small I/O devices
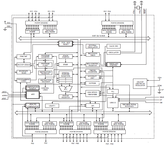
Block Diagram
Đã phát hành: 2012-09-28
| Đã cập nhật: 2025-02-18
