Microsemi / Microchip AgileSwitch® 2ASC-12A1HP SiC Gate Driver Core
Microsemi / Microchip AgileSwitch® 2ASC-12A1HP SiC (Silicon Carbide) Gate Driver Core is software-configurable, allowing developers to appropriately configure the gate driver parameters to their application without worrying about changing hardware. The 1200V, dual-channel 2ASC-12A1HP provides up to 10A of peak current at an operating frequency of 100kHz. The high CMTI gate drive core includes an isolated DC-DC converter and a low capacitance isolation barrier for PWM signals and fault feedback.Intelligent Configuration Tool
The AgileSwitch Intelligent Configuration Tool (ICT) enables developers to fine-tune the performance of programmable SiC Gate Driver Cores to their specific systems and applications. Small changes to the Augmented Switching™ profiles can yield dramatic improvements
in switching efficiency, overshoot, ringing, and short-circuit protection.
Features
- UL compliant 1200V SiC MOSFET module
- Dual-channel
- Robust high-noise-immunity design
- Isolated temperature monitoring, PWM
- Isolated high voltage monitoring, PWM
- 2x 3W output power
- Up to 10A peak current
- 100kHz switching frequency
- Up to 7 unique fault conditions
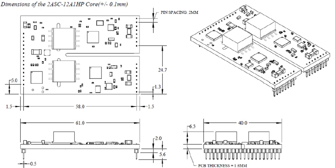
- Compact 40mm x 61mm form factor
- RoHS compliant
- Software programmable
- Augmented Turn-Off™ (ATOff)
- ±VGS gate voltages
- VGS positive from +15V to +21V
- VGS negative from -5V to 0V
- Power supply under-voltage lockout (UVLO)
- Power supply over-voltage lockout (OVLO)
- Desaturation detection settings
- Dead time
- Fault lockout settings
- Automatic reset settings
Applications
- Heavy duty vehicles
- Induction heating
- Auxiliary power units
- Battery storage
- Inverters
- Wireless charging
Videos
Additional Resources
Block Diagram
Mechanical Drawing
Đã phát hành: 2020-04-23
| Đã cập nhật: 2024-07-24
