Microchip Technology ATMXT448UD maXTouch® Touchscreen Controller

Microchip Technology ATMXT448UD maXTouch® Touchscreen Controller is optimized for display panels up to 8.3" used in the home appliance market where Functional Safety is required. This device is IEC/UL 60730 Class B certified and offers unique safety-related features that enable system shut off through an intuitive soft button on a touchscreen, removing the requirement for an external safety certified stop or cancel button and associated microcontroller (MCU). The ATMXT448UD allows an appliance to detect touchscreen-related failures and shut down the appliance automatically through various self-test functions.

The ATMXT448UD maXTouch Touchscreen Controller incorporates proprietary differential touch sensing, delivering unparalleled noise immunity ensuring superior touch performance even in harsh environments. The device enables detection and tracking of multi-finger thick gloved touch through a wide variety of overlay materials and thicknesses, even in the presence of moisture, water, and even saltwater. Combined with a high acquisition speed, these features provide a fast, accurate, and reliable touch solution. The ATMXT448UD Controller also incorporates diagnostic functions, which constantly monitor the integrity of the touch system.

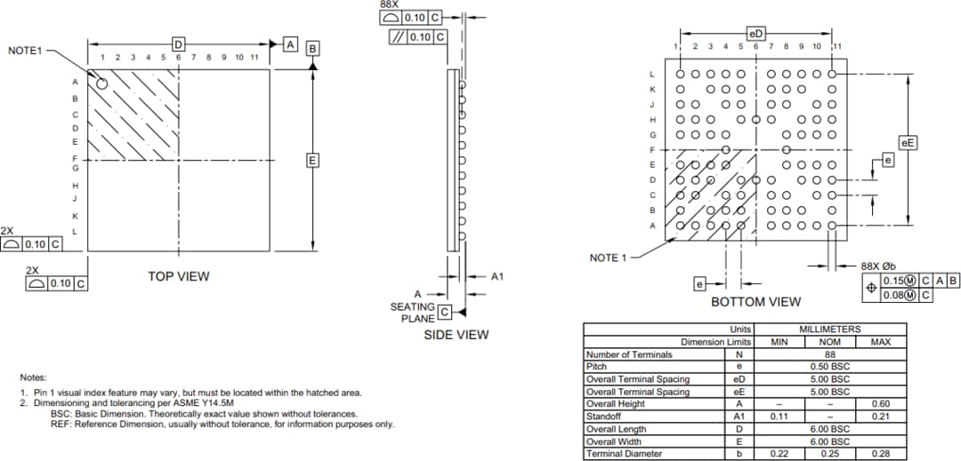
The Microchip Technology ATMXT640UD maXTouch Touchscreen Controller is available in a 6.0mm x 6.0mm UFBGA-88 package and features a -40°C to +105°C operating temperature range.

Features

  • Functional Safety
    • UL/IEC 60730 Class B support
    • Self-diagnostics at power-on and as periodic tests during operation
    • Heartbeat (alive) signal output to the host
  • maXTouch Adaptive Sensing Technology
    • Up to 32 X (transmit) lines and 20 Y (receive) lines for use by a touchscreen and/or critical array
    • A maximum of 448 nodes can be allocated to the touch sensor
    • Touchscreen size of 8.3" (16:9 aspect ratio), assuming a sensor electrode pitch of 6.5mm. Other sizes are possible with different electrode pitches and appropriate sensor material
  • Keys
    • Up to 32 nodes can be allocated as mutual capacitance sensor keys in addition to the touchscreen, defined as one key array (subject to availability of X and Y lines and other configurations)
    • Support for up to 3 mutual capacitance Generic Keys as an alternative to the touchscreen key array (subject to other configurations)
    • Adjacent Key Suppression (AKS) technology is supported for false key touch prevention
  • Touch Sensor Technology
    • Discrete/out-cell support including glass and PET film-based sensors
    • On-cell/touch-on display support including TFT, LCD (ITPS, IPS), and OLED
    • Synchronization with display refresh timing capability
    • Support for standard (for example, Diamond) and proprietary sensor patterns
  • Front Panel Material and Design
    • Works with PET or glass, including curved profiles (configuration and stack-up to be approved by Microchip or a Microchip-qualified touch sensor module partner)
    • 10.0mm glass (or 5.0mm PMMA) with a bare finger (dependent on sensor size, touch size, configuration, and stack-up)
    • 6.0mm glass (or 3.0mm PMMA) with multi-finger 5mm glove (2.7mm PMMA equivalent) (dependent on sensor size, touch size, configuration, and stack-up)
    • Support for non-rectangular sensor designs (for example, circular, rounded, or with cutouts)
  • Data Store
    • Up to 64 bytes of custom user data (not CRC checksummed)
  • Power Saving
    • Programmable timeout for automatic transition from Active to Idle state
    • Pipelined analog sensing detection and digital processing to optimize system power efficiency
  • Enhanced Algorithms
    • Lens bending algorithms to remove display noise
    • Touch suppression algorithms to remove unintentional large touches, such as palm
  • Touch Performance
    • Moisture/Water Compensation
      • No false touch with condensation or water drops up to 22.0mm diameter
      • One-finger tracking with condensation or water drops up to 22.0mm diameter
    • Mutual capacitance and self-capacitance measurements supported for robust touch detection
    • P2P mutual capacitance measurements supported for extra sensitive multi-touch sensing
    • Noise suppression technology to combat ambient and power-line noise
      • Up to 240VPP between 1Hz and 1kHz sinusoidal waveform (no touches)
      • IEC 61000-4-6, 10Vrms, Class A (normal touch operation) conducted noise immunity
    • Stylus Support
      • Supports passive stylus with 1.5mm contact diameter, subject to configuration, stack-up, and sensor design
    • Burst Frequency
      • Flexible and dynamic Tx burst frequency selection to reduce EMC disturbance
      • Configurable Tx waveform shaping to reduce emissions
    • Scan Speed
      • Typical report rate for ten touches ≥90Hz (subject to configuration)
      • Initial touch latency <25ms for the first touch from idle (subject to configuration)
      • Configurable to allow for power and speed optimization
  • On-Chip Gestures
    • Reports one-touch and two-touch gestures
  • Application Interfaces
    • I2C client interface for main communication with the device, with support for Standard mode (up to 100kHz), Fast mode (up to 400kHz), Fast-mode Plus (up to 1MHz), High-Speed mode (up to 4MHz)
    • Optional secondary SPI interface for separate messaging (up to 8MHz)
    • Two separate interrupts to indicate when messages are available on the corresponding interfaces
    • Additional Hardware Debug Interface to read the raw data for tuning and debugging purposes
  • Power Supply
  • Digital (VDD) 3V nominal
  • Digital I/O (VDDIO) 3V nominal
  • Analog (AVDD) 3V nominal
  • High voltage internal X line drive (XVDD) 6V or 9.9V with internal voltage pump
  • Physical Characteristics
    • -40°C to +105°C operating temperature range
    • 6.0mm x 6.0mm x 0.6mm UFBGA-88 package; 0.5mm pitch

Applications

  • HMI interface for industrial, appliance, or medical designs
  • Applications requiring UL/IEC 60730 Class B Functional Safety

Package Outline

Mechanical Drawing - Microchip Technology ATMXT448UD maXTouch® Touchscreen Controller
Đã phát hành: 2021-11-17 | Đã cập nhật: 2022-12-08