Microchip Technology EV28J28A Ultrasound Power Supply Evaluation Board
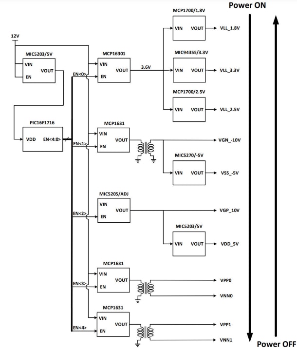
Microchip Technology EV28J28A Ultrasound Power Supply Evaluation Board features all the necessary voltage rails for ultrasound pulser and mux demos. This evaluation board provides power sequencing and fault protection. The EV28J28A evaluation board also supports external synchronization. This board automatically handles the power up and power down sequencing required by the pulser demo boards.Features
- Includes all the necessary voltage rails for ultrasound pulser and mux demos
- Power sequencing and fault protection
- Supports external synchronization
- Single 12V input (compatible also with standard 2.5mm power jack)
- Automatic power up/down sequencing
- VNN rails are configurable in opposite polarity to VPP rails
- Available independent rails:
- 1.8V, 2.5V, 3.3V, 5V, -5V, 10V, -10V, VPP0, VNN0, VPP1, and VNN1
- VPP rails configurable as:
- 60V, 80V, 90V, or 100V
- Optional external synchronization for VPP0, VNN0, VPP1, VNN1, and -10V
- 1.8V, 2.5V, 3.3V, 5V, -5V, and 10V rails provided by low ripple LDOs
- Status LEDs for all voltage rails
- Fault monitoring for VPP0, VNN0, VPP1, and VNN1 rails, with automatic power-down sequence in case of failure
Block Diagram
Power Board Reference Design
Additional Resource
Đã phát hành: 2024-09-05
| Đã cập nhật: 2024-11-20
