Microchip Technology MCP19122 & MCP19123 Hybrid Controllers
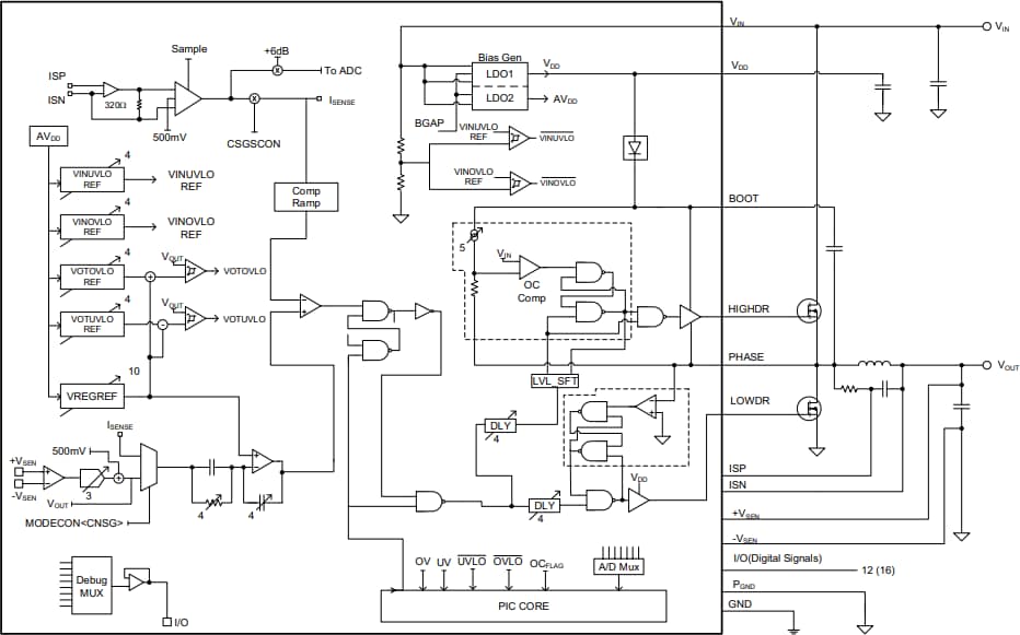
Microchip Technology MCP19122 and MCP19123 Hybrid Controllers offer excellent regulation accuracy, in a variable output analog PWM controller with an integrated microcontroller for supervisory and management functions. The MCP19122 and MCP19123 are mid-voltage (4.5V to 40V) analog-based synchronous buck PWM controllers with an integrated 8-bit PIC® Microcontroller. This combines the performance of a high-speed analog solution, including high-efficiency and fast transient response, with the configurability and communication interface of a digital solution.Features
- Wide 4.5V to 40V operating voltage range
- Wide 0.3V to 16V output voltage range
- Analog emulated average-current mode Pulse-Width Modulation (PWM) control
- Supports synchronous buck, or similar high/low side switch topologies
- Operates from 100kHz to 1.6MHz, adjustable during operation
- Integrated 8-Bit PIC Microcontroller
- 4kw flash memory
- 256B RAM
- Significant configurability: adjustable analog compensation, switching frequency, UVLO, OVLO, Start-up Behavior, MOSFET deadtime, configurable GPIO pins, internal compensation network, I2C communication interface, and fault behavior
- Integrated synchronous high- and low-side MOSFET drivers
- Integrated High-side Current Sense
- Integrated 10-bit Analog-to-Digital Converter
- Multi-phase and multi-rail support as a master or slave device
- Can provide or synchronize to an external clock
- Can provide or synchronize to an external reference
- Shutdown and brown-out support
- 50uA quiescent current draw in sleep mode
- Integrated POR and BOR functions
- Three internal timers and a capture compare module
- Integrated I2C interface, capable of PMBus support
- Minimal external components needed
- Custom algorithm support
The Microchip Technology MCP19122 Hybrid Controller is housed in a QFN-24 package and the MCP19123 Hybrid Controller is housed in a QFN-28 package.
Block Diagram
Đã phát hành: 2017-07-31
| Đã cập nhật: 2022-03-23
