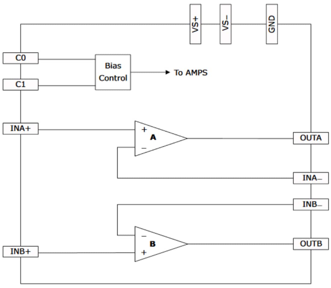
Microsemi / Microchip Le87100 Single-Channel Differential Amplifier
Microsemi / Microchip Le87100 Single-Channel Differential Amplifier is designed to drive PLC high-power signals. The Le87100 device contains a pair of wide-band amplifiers designed for a high-power output with low-power consumption. Line driver gain is set externally to the device. A single high-voltage supply or dual supplies can power the device. Le87100 can be programmed to one of three preset bias levels to optimize power and performance. Also, the line driver features a power down state, which forces low-power and high-impedance mode for receive transmissions or idle operations. The control pins respond to input levels that can be generated with a standard GPIO but are tolerant of higher voltage logic levels. The Microsemi / Microchip Le87100 device is available in a 16-pin (4mm x 4mm) QFN package with an exposed pad for enhanced thermal conductivity.Features
- High-power differential output
- Delivers signal strengths up to 15.5 dBm
- Operates up to 13.2V from a single supply or up to ±6.6V from dual power supplies
- Drive capability up to 400mA from a single 12V supply
- High output impedance when disabled for a TDM operation
- User settable gain and bandwidth
- Bandwidth up to 100MHz
- Class AB operation
- Four operational states, low power operation
- Thermal shutdown circuitry
- Miniature 4mm x 4mm thermally enhanced package
- RoHS compliant
- Pin-compatible with industry-standard line drivers
Applications
- Power line communications (PLC)
- G.HN, EOC HomePlug AV2
Block Diagram
Đã phát hành: 2019-10-30
| Đã cập nhật: 2023-06-14
