Mill-Max 380 & 480 Low Profile Solder Cup Headers
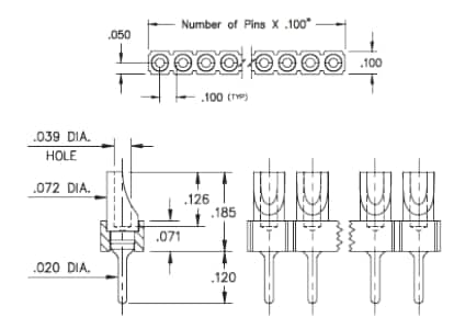
Mill-Max 380 and 480 Low Profile Solder Cup Headers are single or double-row headers that deliver a 25% reduction in height. These headers feature a 0.185" (4.7mm) stand-off height, 0.100" (2.54mm) pin spacing, and ø0.20" (ø0.51mm) diameter tails suitable for mating with a variety of sockets. The 380 and 480 headers are uniformly aligned to facilitate efficient soldering which is especially useful for terminating cables. These low-profile headers are ideal for making wire-to-board connections where keeping the overall height to a minimum is essential. The connectors can accept up to 22AWG stranded wires and are available from 1 to 64 positions single row or 2 to 72 positions double row.Features
- Low profile solder cup header
- Delivers a 25% reduction in height
- Nylon 46 insulator material with an HDT of +290°C
- Single row connectors from 1 to 64 positions
- Double row connectors from 2 to 72 positions
- Precision turned brass alloy solder cup pins
380 Dimensions
480 Dimensions
Đã phát hành: 2017-12-14
| Đã cập nhật: 2022-06-24
