Monolithic Power Systems (MPS) EVM3612-LQ-00A Evaluation Board
Monolithic Power Systems (MPS) EVM3612-LQ-00A Evaluation Board is designed to evaluate MPM3612, a synchronous, rectified, step-down, switch-mode converter with built-in internal-power MOSFETs and high light-load efficiency. This MPM3612 converter offers a very compact solution that achieves 1A of continuous output current with excellent load- and line-regulation across a wide input supply range. The EVM3612-LQ-00A evaluation board comes in 64mm x 64mm x 1.6mm dimensions. This board is used in the Internet of Things (IoT), home automation, home security, single- or multi-cell Li-ion battery systems, and server power applications.Features
- Evaluate the MPM3612 switching voltage regulator
- Wide 3V to 22V operating input voltage range
- 5µA low quiescent current (IQ)
- 1.25MHz fixed switching frequency during Continuous Conduction Mode (CCM)
- 1A load current
- Power-Save Mode (PSM)
- High efficiency from 100µA to 1A load at 4V to 22V VIN
- 64mm x 64mm x 1.6mm dimensions
Applications
- Internet-of-Things (IoT)
- Home automation and home security
- Single- or multi-cell Li-Ion battery systems
- Multi-cell dry battery systems
- Server power
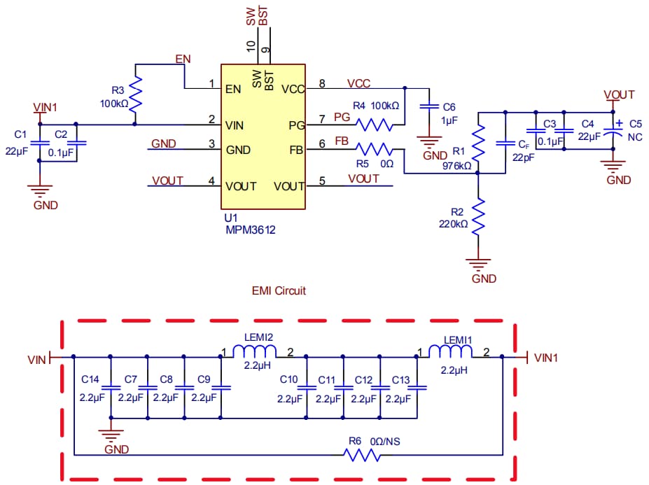
Schematic
Đã phát hành: 2025-02-03
| Đã cập nhật: 2025-02-05
