Monolithic Power Systems (MPS) EVQ6541A-QK-00A Evaluation Board
Monolithic Power Systems (MPS) EVQ6541A-QK-00A Evaluation Board is designed to demonstrate the capabilities of the MPQ6541A, three-phase Brushless DC (BLDC) motor drivers. This evaluation board has three integrated half-bridges comprising six N-channel power MOSFETs. The rotor position information for the EVQ6541A-QK-00A evaluation board is provided by the Hall sensors assembled in the motor. This evaluation board driver control signals are generated via an external controller, such as a Microcontroller Unit (MCU) or Field-Programmable Gate Array (FPGA). The EVQ6541A-QK-00A evaluation board features integrated bidirectional current-sense amplifiers and supports 100% duty cycle operation. This evaluation board operates at a 4.75V to 40V input voltage range and 8A maximum output current. The EVQ6541A-QK-00A evaluation board is used in power drills, impact drivers, and Permanent Magnet Synchronous Motors (PMSMs).Features
- Integrated bidirectional current-sense amplifiers
- Supports 100% duty cycle operation
- High-Side (HS) and Low-Side (LS) logic inputs
- Over-Current Protection (OCP) and Over Temperature Protection (OTP)
- Fault indication
Specifications
- 4.75V to 40V operating input voltage range
- 8A maximum output current
- 5.08cm x 5.08cm dimension
- 3.3V or 5V reference voltage
Applications
- Three-phase Brushless DC (BLDC) motors
- Permanent Magnet Synchronous Motors (PMSMs)
- Power drills
- Impact drivers
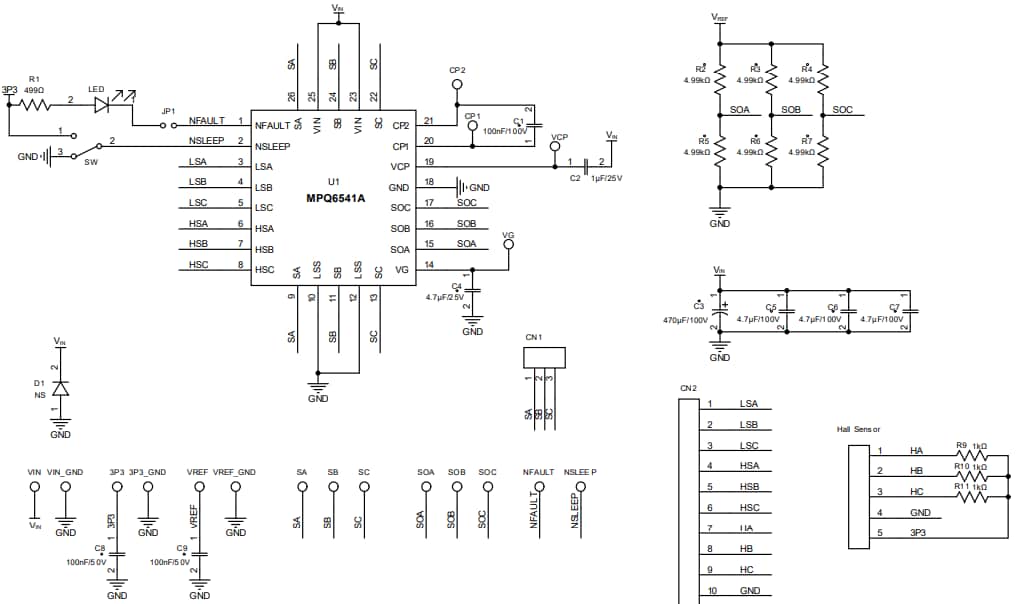
Schematic Diagram
Đã phát hành: 2024-01-18
| Đã cập nhật: 2024-01-31
