Monolithic Power Systems (MPS) MP4833A High-Voltage Analog Switch
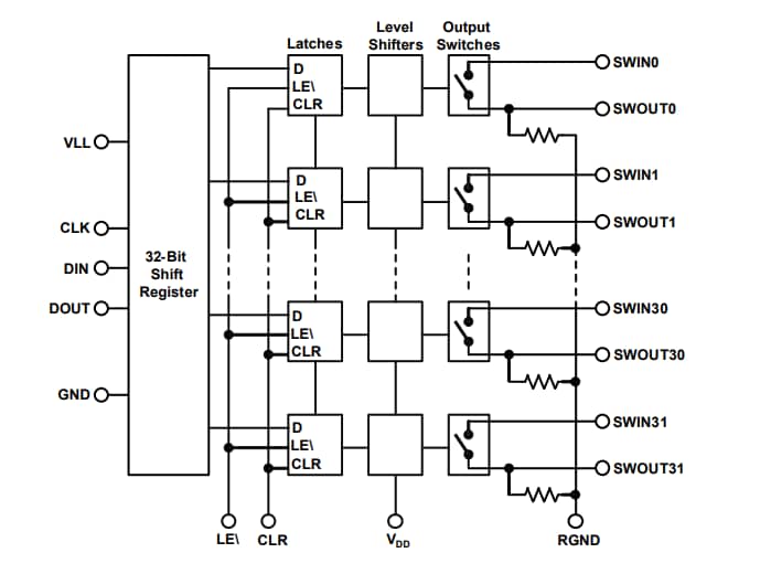
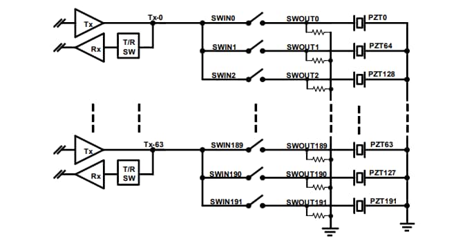
Monolithic Power Systems (MPS) MP4833A High-Voltage Analog Switch offers 32-channels with integrated output bleed resistors. The MP4833A high-voltage, single-pole single-throw (SPST) analog switch is intended for medical ultrasound imaging applications. The device is designed to multiplex the transmit and receive voltages to and from multiple piezoelectric transducers (PZT).A 32-bit serial shift register utilizes the MPS MP4833A High-Voltage Analog Switch, then a 32-bit data latch. The data out pin (DOUT) permits multiple devices to be cascaded together, minimizing the number of input/output (I/O) control lines. The MP4833A provides a logic high signal in the data latch that turns on the corresponding analog switch, and a logic low signal turns off the corresponding analog switch.
The switch requires two low voltage supplies (3.3V and 10V) and does not need high voltage supplies. Furthermore, the MP4833A either blocks or passes analog voltages up to ±90V with peak currents of up to ±2A.
The MP4833A is housed in a BGA-80 (7mm x 7mm) package.
Features
- No high-voltage supplies required
- 32 Channels
- Up to ±90V analog signals
- 12.5Ω Typical switch resistance
- ±2A Typical switch peak current
- Off-isolation of -66dB at 5MHz
- Integrated output bleed resistors
- 80MHz Clock frequency
- Available in a BGA-80 (7mm x 7mm) package
Applications
- Medical ultrasound imaging
- Non-Destructive Testing (NDT)
Typical Application
Block Daigram
Đã phát hành: 2022-08-29
| Đã cập nhật: 2023-07-03
