Monolithic Power Systems (MPS) MP8796 Step-Down Converters
Monolithic Power Systems (MPS) MP8796 Step-Down Converters offer up to 30A output current (IOUT) across a 4V to 16V wide input voltage (VIN) range. These step-down converters provide a switching frequency range from 400kHz to 1000kHz. The MP8796 converters feature Over-Current Protection (OCP), Over-Voltage Protection (OVP), and Over-Temperature Protection (OTP) with selectable hiccup mode or latch-off mode. These converters use Multiphase Constant-On-Time (MCOT) control that provides a fast transient response and eases loop stabilization. Typical applications include multifunctional printers, flat-panel televisions and monitors, access points and routers, and optical modules.Features
- 4V to 16V wide operating input voltage (VIN) range
- 3V to 16V wide operating input voltage (VIN) range with external 3.3V VCC bias
- Up to 30A continuous output current (IOUT) per phase
- 400kHz to 1000kHz selectable switching frequency (fSW) range
- 850μA quiescent current (IQ)
- Low RDS(ON) integrated power MOSFETs
- Adaptive Constant-On-Time (COT) control for ultrafast transient response
- Stable with zero-ESR output capacitor
- Selectable Pulse-Frequency Modulation (PFM) Mode and Forced Continuous Conduction Mode (FCCM)
- Over-Current Protection (OCP), Over Voltage Protection (OVP), and Over Temperature with selectable hiccup mode or latch-off mode
- Available in a TQFN-25 (4mm x5mm) package
Applications
- Multifunctional printers
- Flat-panel televisions and monitors
- Access points and routers
- Optical modules
Typical Application Circuit
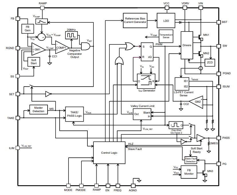
Block Diagram
Đã phát hành: 2024-02-01
| Đã cập nhật: 2024-03-01
