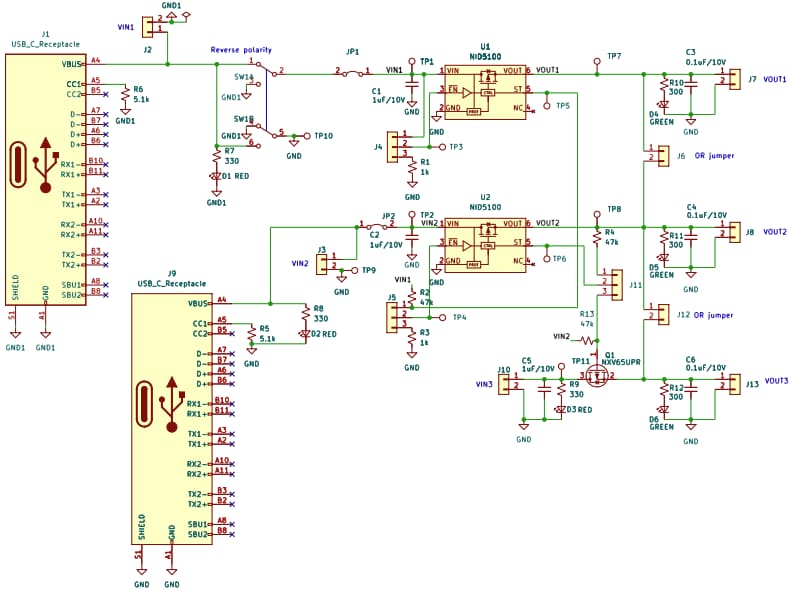
Nexperia NEVB-NID5100 Evaluation Board
Nexperia NEVB-NID5100 Evaluation Board is a two-layer Printed Circuit Board (PCB) equipped with two NID5100 ideal diodes and one PMOS transistor. This board asses performance across various use cases such as OR-ing, OR-ing with an external PMOS transistor, priority OR-ing, and reverse polarity protection. The NEVB-NID5100 evaluation board features a 1.2V to 5.5V input operating voltage range and a 1.5A continuous output current. This board includes three supply inputs and two additional USB-C™ supply inputs.Features
- 1.2V to 5.5V input operating voltage range (VIN)
- 1.5A continuous output current
- Three supply inputs
- Two additional USB-C™ supply inputs
- Access to all device pins
- Use case selection by means of jumpers
Schematic Diagram
Additional Resource
Đã phát hành: 2024-08-06
| Đã cập nhật: 2024-08-29
