Nexperia NEX13120-Q100 Automotive Linear LED Driver
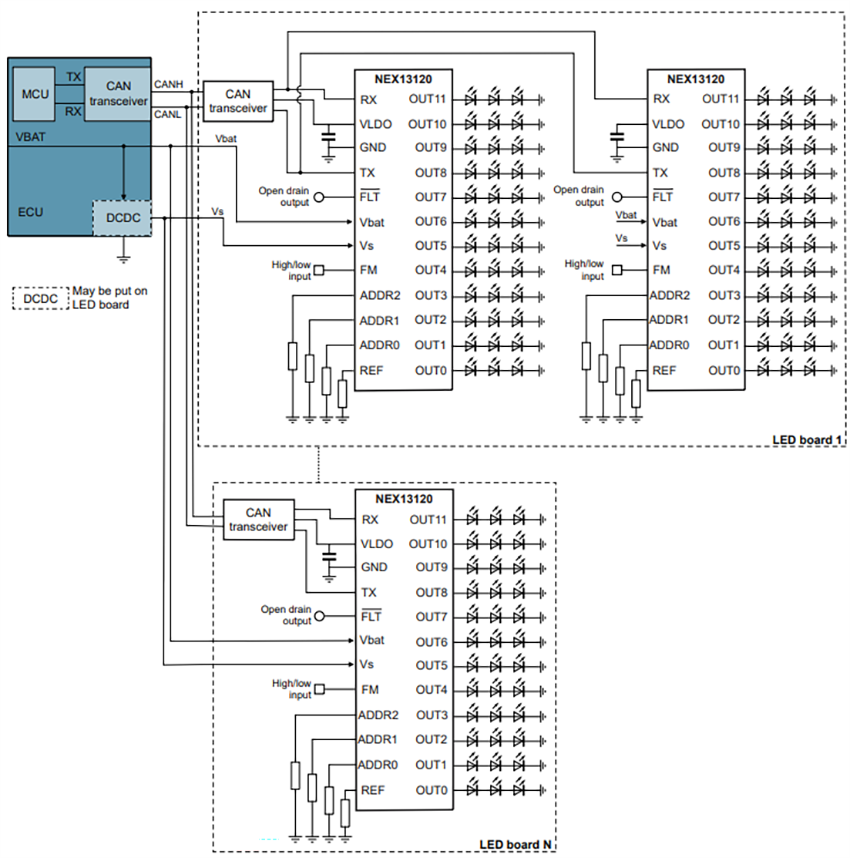
Nexperia NEX13120-Q100 12-Channel Automotive Linear LED Driver is AEC-Q100 Grade 1 qualified and designed for high-side applications. The Nexperia NEX13120-Q100 supports up to 100mA output current per channel with PWM and analog dimming capabilities, ensuring precise control and high accuracy. The device integrates UART over CAN for long-distance communication, making the LED driver ideal for automotive exterior lighting systems. Additionally, the component features diagnostics for open-circuit LED, short-to-ground, and single LED short-circuit detection, along with a configurable watchdog for fail-safe operation.Features
- AEC-Q100 qualified for automotive applications, specified from -40°C to +125°C
- Function safety capability
- 12-channel precision high-side current output
- 4.5V to 36V VBAT and 3.8V to 36V VS
- Up to 100mA current per channel
- 2-bit global, 6-bit independent current setting
- Current accuracy within ±5% from 18mA to 100mA
- Low voltage drops - 600mV at 100mA
- 12-bit independent PWM dimming
- 50Hz to 23.4kHz programmable PWM frequency
- Linear and exponential dimming method
- Integrated UART interface
- Up to 2Mbit/s data rate
- Supports UART data format
- Supports 27 slave address set by resister
- HTSSOP24 (SOT8083-1) thermally enhanced thin shrink small outline package, 24-lead, 7.8mm x 4.4mm x 1.2mm body size
- Diagnostics and protections
- Programmable Fail-Safe state
- LED open-circuit detection
- LED short-circuit detection
- Single-LED short-circuit diagnostic
- Programmable low-VS detection
- Open-drain FLT pin for fault indication
- Watchdog and CRC for data line
- MTP ECC check
- 8-bit ADC for pin voltage measurement
- Over-temperature protection
- ESD protection
- HBM exceeds 2000V per ANSI/ESDA/JEDEC JS-001 class 2
- CDM exceeds 500V per ANSI/ESDA/JEDEC JS-002 class C2a
Applications
- Automotive exterior rear lights
- Automotive exterior headlights
Videos
Typical Application Circuit
Application Block Diagram
Đã phát hành: 2025-04-07
| Đã cập nhật: 2025-08-10
