Nisshinbo NJM290xB Quad/Dual Auto Operational Amplifiers
Nisshinbo NJM2904B/NJM2902B Quad/Dual Automotive Operational Amplifiers are high Electromagnetic Compatibility (EMC) performance, single-supply versatile operational amplifiers. These operational amplifiers feature a 3V to 36V operating voltage range, internal Electromagnetic Interference Filters (EMI), 0.4V/µs typical slew rate, and unity-gain stability. The NJM2904B/NJM2902B amplifiers also feature 0.5mV input offset voltage, -40°C to +125°C operating temperature range, and bipolar process. The NJM2904B/NJM2902B operational amplifiers are ideally used for automotive applications. The NJM2904B amplifier is AEC-Q100 grade 1 compliant, and the NJM2902B amplifier is AEC-Q100 grade 1 in progress.Features
- Optional dual or quad versions
- Internal EMI filter
- High noise immunity
- Unity-gain stability
- Bipolar process
Applications
- General use for automotive
Specifications
- +3V to +36V operating voltage range
- 0.5mV typical input offset voltage
- 0.4V/μs typical slew rate
- Unity-gain stability
- Bipolar process
- NJM2904B; AEC-Q100 grade 1 compliant
- NJM2902B; AEC-Q100 grade 1 in progress
- Consumption Current
- 0.7mA typical - NJM2904B
- 1.2mA typical - NJM2902B
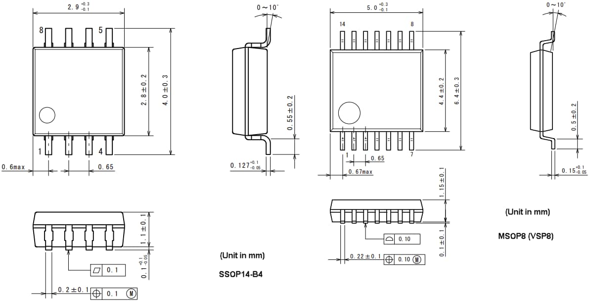
- Packages
- MSOP8 (VSP8) (2.9mm x 4.0mm x 1.1mm) - NJM2904BR
- SSOP14-B4 (5.0mm x 6.4mm x 1.45mm) - NJM2902BVB4
Block Diagram
Dimensions Diagram
Videos
Additional Resources
Đã phát hành: 2023-01-23
| Đã cập nhật: 2024-02-02
