NXP Semiconductors i.MX RT1180 Crossover Microcontrollers (MCUs)

NXP Semiconductors i.MX RT1180 Crossover Microcontrollers (MCUs) feature a high-performance Arm® Cortex®-M7 core operating at speeds up to 800MHz and a power-efficient Cortex-M33 core up to 300MHz. The NXP i.MX RT1180 features industrial gateway capabilities that enable the support of industrial real-time protocols (Profinet, EtherCAT, EtherNet/IP, and more). The MCUs also support TSN-based protocols through a state-of-the-art Ethernet switch subsystem and a large 1.5MB on-chip RAM protected with ECC. These components are designed for applications over various segments such as industrial automation, building automation, energy, or the Internet of Things (IoT).

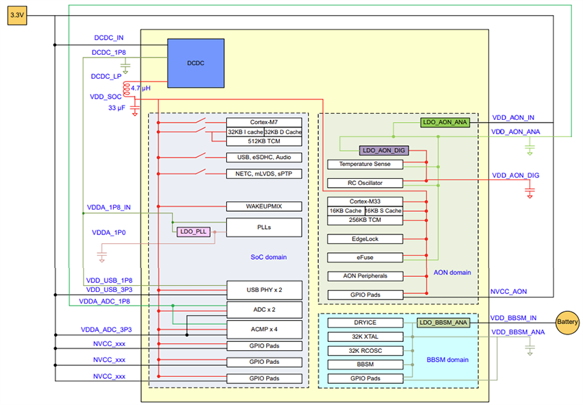
The i.MX RT1180 MCUs feature an integrated advanced power management module with DC-DC and Low-Dropout (LDO) regulators, reducing the complexity of the external power supply. The advanced power management module also simplifies power sequencing, as well as a large subsystem, enabling a wide range of applications, including memory interfaces, connectivity interfaces (CAN-FD, LPUART, LPSPI, LPI2C, FlexIO). 

The NXP i.MX RT1180 devices integrate multiple security functions, including an advanced Secure Enclave subsystem, a Physical Unclonable Function (PUF), On-The-Fly AES Decryption (OTFAD), a Trusted Resource Domain Controller (TRDC), a Battery Backed Security Module (BBSM), and an Inline Encryption Engine (IEE).

Features

  • Arm Cortex-M7 at 800MHz and Arm Cortex-M33 up to 300MHz - optional single-core Arm Cortex-M33
  • Software and tools
    • MCUXpresso developer experience
      • Selection of IDE choices
      • Pin, clock, peripheral, security, and memory configuration tools
      • Security programming and provisioning tools
      • Software development kit (SDK)
    • Zephyr RTOS support
    • Industrial protocols support
  • Networking
    • First real-time microcontroller (MCU) with an integrated Gbps time-sensitive network (TSN) switch supporting multiple protocols, bridging communications between existing systems and Industry 4.0
      • Real-time industrial Ethernet protocols such as Profinet, Ethernet/IP, EtherCAT, CC-Link IE Field, HSR, and more
      • Recent TSN standards compliant with IEC 60802 for industrial automation
      • TSN-based protocols such as OPC UA Pub-Sub, Profinet over TSN, and CC-Link IE TSN
    • Up to 5Gbps ports, including 4x ports on the TSN switch (Layer 2) and 1x port on the TSN endpoint controller
    • L2 management with advanced flow control features, including port counters, filters, and more
  • Advanced security
    • Crossover MCU with an integrated EdgeLock® Secure Enclave - preconfigured, self-managed, autonomous security subsystem, easing the complexity of implementing robust, system-wide security for networked, industrial IoT applications
    • Provides component-level foundation for IEC 62443 system compliance
    • Root of trust requirements in complex networked systems with secure boot, secure key mechanism, and high-performance crypto
    • System-level physical tamper monitoring with secure RTC and 10 tamper pins
  • Up to 1.5MB SRAM (ECC protected) with 512KB of TCM for Arm Cortex-M7 and 256KB of TCM for Arm Cortex-M33
  • Analog
    • High-speed 16-bit ADCs
    • Advanced timer/PWM and delta-sigma demodulators
  • -40°C to +125°C industrial temperature range
  • Package options
    • 289 MAPBGA, 14mm x 14mm, 0.8mm pitch
    • 144 MAPBGA, 10mm x 10mm, 0.8mm pitch

Applications

  • Building and factory automation
  • Industrial automation
  • Healthcare
  • Industrial gateways
  • Motion control and robotics
  • Motor drives
  • Programmable logic controllers and remote I/Os
  • IoT

Videos

Block Diagram

Block Diagram - NXP Semiconductors i.MX RT1180 Crossover Microcontrollers (MCUs)

Power Architecture

Schematic - NXP Semiconductors i.MX RT1180 Crossover Microcontrollers (MCUs)
Đã phát hành: 2025-09-30 | Đã cập nhật: 2026-03-25