NXP Semiconductors MC33775A 14 Channel Battery Cell Controller ICs
NXP Semiconductors MC33775A 14 Channel Battery Cell Controller ICs are Lithium-ion controller ICs designed to measure differential high-precision cell voltages and temperatures. These ICs provide extensive passive cell voltage balancing features to equalize the individual cell voltages across the battery stack. The MC33775A ICs support 4 to 14 cells per device, bus bars with ±5V input voltage, and an integrated configurable digital filter. These ICs feature an I2C-bus master interface to control external devices, configurable alarm output, and cyclic wake-up to supervise the pack during sleep and balancing. The MC33775A ICs support ISO 26262 ASIL D for cell voltage, module voltage, and temperature measurements. Typical applications include Hybrid Electric Vehicles (HEVs), Electric Vehicles (EVs), Energy Storage Systems (ESSs), and Uninterruptible Power Supply (UPS) systems.The MC33775A ICs include operation modes such as active, sleep, cyclic, and deep sleep. These battery cell controller ICs deliver a Serial Peripheral Interface (SPI) and an isolated daisy chain interface for communication with the host MCU. The MC33775A ICs offer an increased safety level and a low bill of materials.
Features
- Cell voltage measurement:
- 4 to 14 cells per device
- Supports bus bars with ±5V input voltage
- 16-bit resolution and ±1mV typical measurement accuracy with ultra-low long-term drift
- 120µs synchronicity of cell voltage measurements
- Integrated configurable digital filter
- External temperature and auxiliary voltage measurements:
- Eight analog inputs
- 5V input range, configurable as absolute or ratiometric
- 16-bit resolution and ±5mV typical measurement accuracy
- Integrated configurable digital filter
- Module voltage measurement:
- 9.6V to 65V input range
- 16-bit resolution and 0.3% measurement accuracy
- Integrated configurable digital filter
- Internal measurement:
- Two redundant internal temperature sensors
- Supply voltages
- External transistor current
- Cell voltage balancing:
- 14 internal balancing field effect transistors (FETs), up to 300mA per channel (max)
- Simultaneous passive balancing of all channels
- Global balancing timeout timer
- Timer controlled balancing with individual timers with 10s resolution and up to 45h duration
- Voltage-controlled balancing with two thresholds to stop the affected cell or stop all balancing
- Temperature-controlled balancing; if balancing resistors are in overtemperature, balancing is interrupted
- Pulse width modulation (PWM) controlled balancing
- Balancing auto pause during measurement
- Global pre-balancing delay
- Automatic discharge of the battery pack (emergency discharge)
- I2C-bus master interface to control external devices, for example, EEPROMs and security ICs
- Configurable alarm output
- Cyclic wake-up to supervise the pack during sleep and balancing
- Host interface supporting SPI or transformer physical layer 3 (TPL3):
- 2 Mbit data rate for TPL3 interface
- 4 Mbit data rate for SPI
- TPL3 communication supports:
- Two-wire daisy chain with capacitive and inductive isolation
- Protocol supporting up to six daisy chains and 62 nodes per chain
- Unique device ID
- Operation modes:
- Active mode
- Sleep mode
- Cyclic mode
- Deep sleep mode
- AEC-Q100 grade 1 qualified
- -40°C to 125°C ambient temperature range
- ISO 26262 ASIL D support for cell voltage, module voltage, and temperature measurements
Applications
- Automotive:
- Hybrid Electric Vehicle (HEV)
- Electric Vehicle (EV)
- Industrial:
- Energy Storage System (ESS)
- Uninterruptible Power Supply (UPS) systems
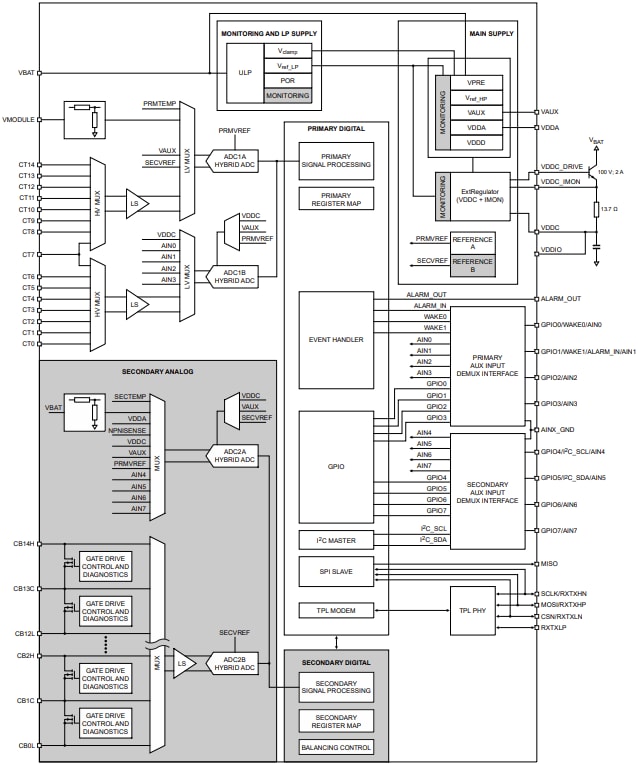
Block Diagram
Additional Resources
Đã phát hành: 2024-08-14
| Đã cập nhật: 2024-09-10
