NXP Semiconductors TEA6017AT LLC & PFC Combo Controller

NXP Semiconductors TEA6017AT Digital Configurable LLC and Multimode PFC Controller implements both the LLC and PFC controller functionality required for high-efficiency resonant power supplies. The PFC is configurable, allowing operation in DCM/QR, CCM fixed frequency or multimode, which supports all operating modes to optimize the PFC efficiency.

The NXP TEA6017AT LLC and PFC Combo Controller offers a digital architecture based on a high-speed configurable hardware state machine, securing reliable real-time performance. The operation and protection settings of the TEA6017AT controller can be modified by loading new settings into the device to meet detailed application requirements during the power supply development. The configurations can be fully secured, preventing unauthorized copying of the proprietary TEA6017AT content.

The TEA6017AT provides very high efficiency at low loads due to the LLC low-power mode compared to traditional resonant topologies. This mode functions in the power region between continuous switching (high-power mode) and burst mode.

The TEA6017AT facilitates building a complete resonant power supply which is easy to design and has a very low component count. The TEA6017AT comes in a low profile, narrow body-width SO16 package and fully complies with NXP’s industrial applications profile.

Features

  • Distinctive
    • Complete functionality of a PFC and LLC controller in a single small-size SO16 package
    • Compliant with NXP industrial profile
    • Integrated high-voltage start-up
    • Integrated drivers and high-voltage level shifter (LS)
    • High-side driver directly supplied from the low-side driver output
    • Accurate boost voltage regulation
    • PFC can be configured to operate in:
      • DCM/QR
      • DCM/QR/CCM (also called multimode operation)
      • CCM fixed frequency
    • Integrated X-capacitor discharge without additional external components
    • Power good function
    • PFC jitter for optimized EMI performance
    • Excellent power factor (PF) and total harmonic distortion (THD), as the PFC current compensates for the input filter current
    • Several parameters can easily be configured during evaluation with the use of the graphical user interface (GUI), like:
      • Operating frequencies to be outside the audible area at all operating modes
      • Soft start and soft stop in burst mode, reducing the audible noise
      • Accurate transition levels between operation modes (high-power mode/low-power mode/burst mode)
      • Enabling/disabling the lower power mode
  • Protection
    • Independently configurable levels and timers
    • Many protections can independently be set to latched, safe restart, or latched after several attempts to restart
    • Supply undervoltage protection (UVP)
    • Overpower protection (OPP)
    • Internal and external overtemperature protection (OTP)
    • Capacitive mode regulation (CMR)
    • Accurate overvoltage protection (OVP)
    • Overcurrent protection (OCP)
    • Inrush current protection (ICP)
    • Brownin/brownout protection
    • Disable input
  • Green
    • Valley/zero voltage switching for minimum switching losses
    • Extremely high efficiency from low load to high load
    • Compliant with energy-saving standards and directives (Energy Star, EuP)
    • Excellent no-load input power (<75mW for TEA6017AT/TEA2095T combination)

Applications

  • Desktop and all-in-one PCs
  • Gaming power supplies
  • LCD television
  • Notebook adapters and general-purpose adapters
  • Printers
  • Server
  • 5G supplies
  • UHD LED television
  • Industrial applications

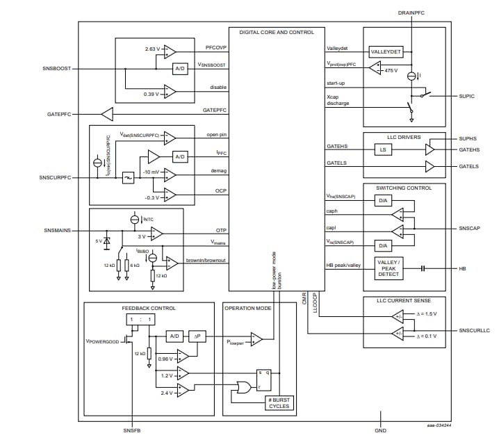
Block Diagram

Block Diagram - NXP Semiconductors TEA6017AT LLC & PFC Combo Controller
Đã phát hành: 2022-09-06 | Đã cập nhật: 2023-01-05