onsemi FOD8160 Logic Gate Optocoupler
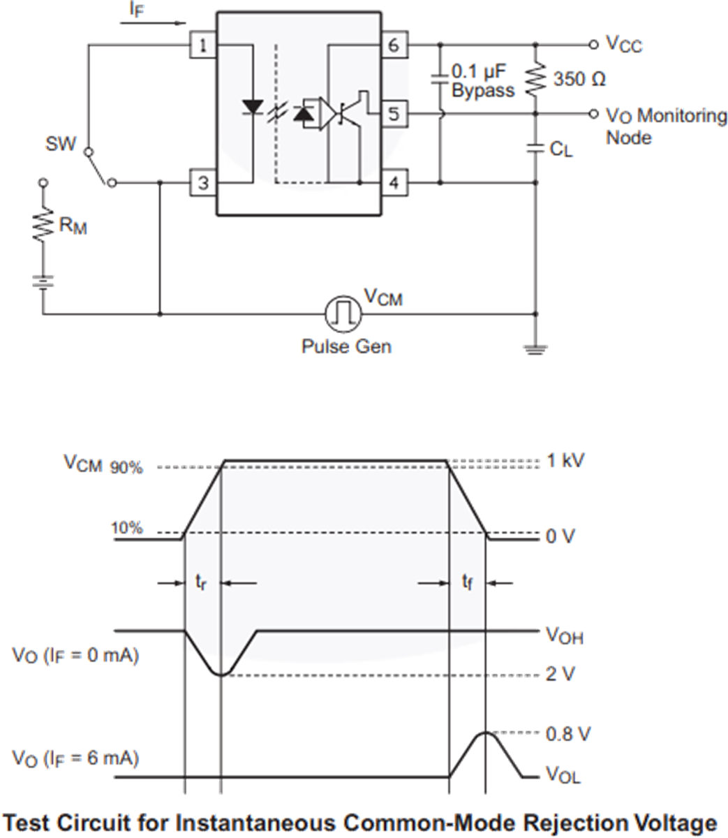
onsemi FOD8160 Logic Gate Optocouplers deliver a 3.3V/5V high-speed optocoupler with open collector output, which supports isolated communications to allow digital signals to communicate between systems without conducting ground loops or hazardous voltages. onsemi FOD8160 Logic Gate Optocouplers utilize proprietary Optoplanar® coplanar packaging technology and optimized IC design to achieve high noise immunity, characterized by high common mode rejection specifications.The FOD8160, packaged in a wide-body SOP 5-Pin package, consists of an aluminum gallium arsenide (AlGaAs) LED and an integrated high-speed photodetector. The output of the detector IC is an open collector Schottky-clamped transistor. The electrical and switching characteristics are guaranteed over the extended industrial temperature range of -40°C to +100°C and a VCC range of 3V to 5.5V.
Features
- Optoplanar® packaging technology allows more than 10mm creep and clearance distance, and 0.5mm insulation distance to achieve reliable and high voltage insulation
- High noise immunity characterized by common mode transient immunity (CMTI): 20kV/µs Minimum CMTI
- Specifications guaranteed over 3V to 5.5V supply voltage and -40°C to +100°C extended industrial temperature range
- High speed, 10Mbit/sec data rate (NRZ)
- Safety and regulatory approvals
- UL1577, 5000VACRMS for 1 minute
- DIN-EN/IEC60747-5-5, 1,414V peak working insulation voltage (pending approval)
Applications
- Energy generation and distribution
- Industrial motor
- Uninterruptible power supply
Đã phát hành: 2013-05-03
| Đã cập nhật: 2022-08-30
