onsemi Advanced Motion SPM® 5 Modules
onsemi Advanced Motion SPM® 5 Modules provide a fully-featured and high-performance inverter output stage for AC Induction, BLDC, and PMSM motors. The SPM 5 modules integrate optimized gate drive of the built-in MOSFETs (FRFET® or SuperFET® technology) to minimize EMI and losses. This also provides multiple on-module protection features including under-voltage lockouts and thermal monitoring. The built-in high-speed HVIC requires only a single supply voltage and translates the incoming logic-level gate inputs to the high-voltage and high-current drive signals. onsemi SPM 5 modules come with separate open-source MOSFET terminals for each phase to support the widest variety of control algorithms.Features
- UL certified no. E209204 (UL1557)
- FRFET or SuperFET MOSFET 3-phase inverter with gate drivers and protection
- Built-in bootstrap diodes that simplify PCB layout
- Separate open-source pins from low-side MOSFETs for three-phase current-sensing
- Active-HIGH interface, works with 3.3V/5V logic, and Schmitt-trigger input
- Optimized for low electromagnetic interference
- HVIC temperature-sensing built-in for temperature monitoring
- HVIC for gate driving and undervoltage protection
- 1500Vrms /1 min. isolation rating
- RoHS compliant
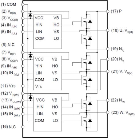
Block Diagram
Videos
View Results ( 8 ) Page
| Mã Phụ tùng | Bảng dữ liệu | Mô tả | Dòng cấp nguồn vận hành | Đóng gói / Vỏ bọc |
|---|---|---|---|---|
| FSB50550BB | ![]() |
Motor / Motion / Ignition Controllers & Drivers V3 INV 500V 3OHM | 900 uA | SPM5T-21 |
| FSB50550AS | ![]() |
Intelligent Power Modules - IPMs PWM Controller mWSaver | SPM5Q-23 | |
| FSB50450AS | ![]() |
Intelligent Power Modules - IPMs Smart Power Module | SPM-23 GD | |
| FSB50250AS | ![]() |
Intelligent Power Modules - IPMs Smart Power Module | SPM-23 GD | |
| FSB50250AT | ![]() |
Intelligent Power Modules - IPMs Smart Power Module | SPM-23 ED | |
| FSB50825AS | ![]() |
Intelligent Power Modules - IPMs 250V, 2A, 3PHASE FRFET SMRT PWR MDLE | SPM5Q-23 | |
| FSB50550AB | ![]() |
Intelligent Power Modules - IPMs Motion SPM | SPM23DD-21 | |
| FSB50550AT | ![]() |
Intelligent Power Modules - IPMs Smart Power Module | SPM5N-23 |
Đã phát hành: 2014-08-04
| Đã cập nhật: 2024-01-05

